lemon-mirror:
Home >> Lexus >> 2010 >> IS F >> Repair and Diagnosis >> Electrical >> Body Electrical >> OEM System Circuits >> Adaptive Front-Lighting System >> Notes

Adaptive Front-Lighting System: Notes

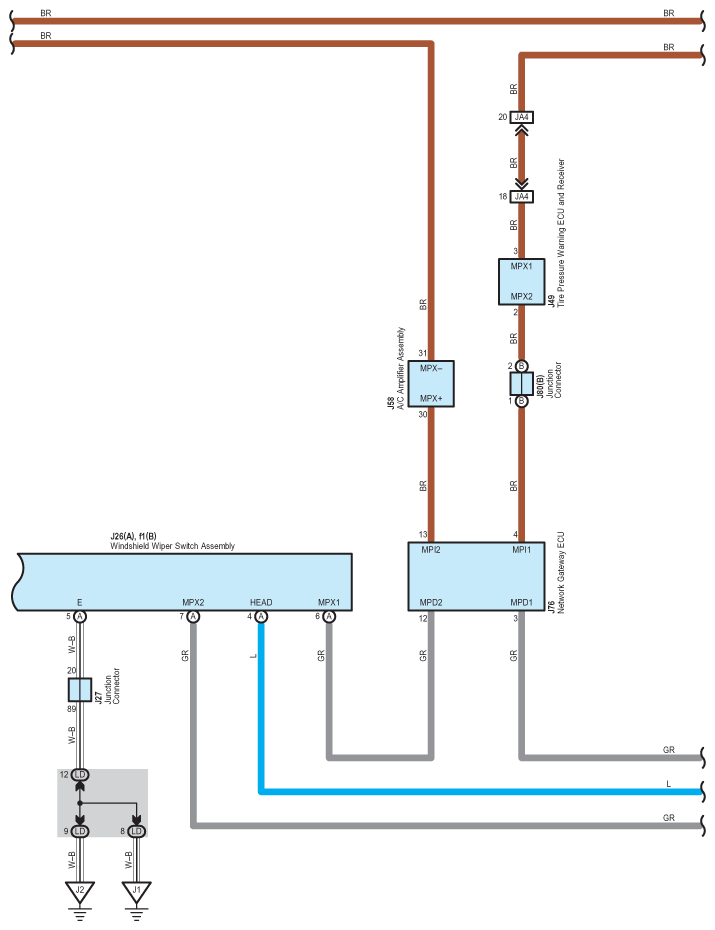
Fig 1: Adaptive Front-Lighting System - Circuit Diagram (1 Of 9)
G07561238Courtesy of © TOYOTA, LICENSE AGREEMENT TMS1002
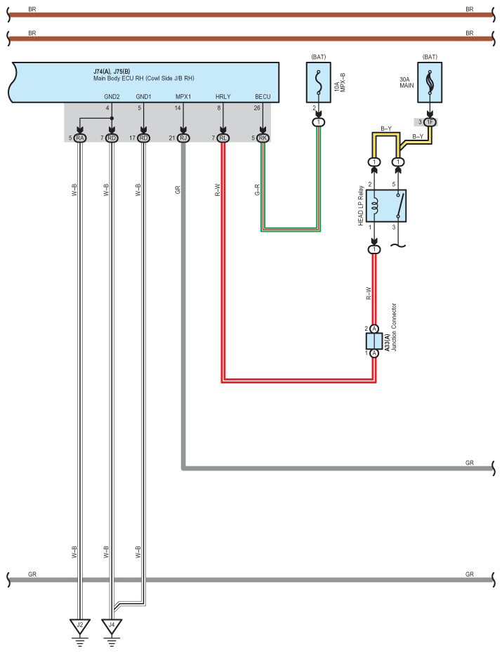
Fig 2: Adaptive Front-Lighting System - Circuit Diagram (2 Of 9)
G07561239Courtesy of © TOYOTA, LICENSE AGREEMENT TMS1002
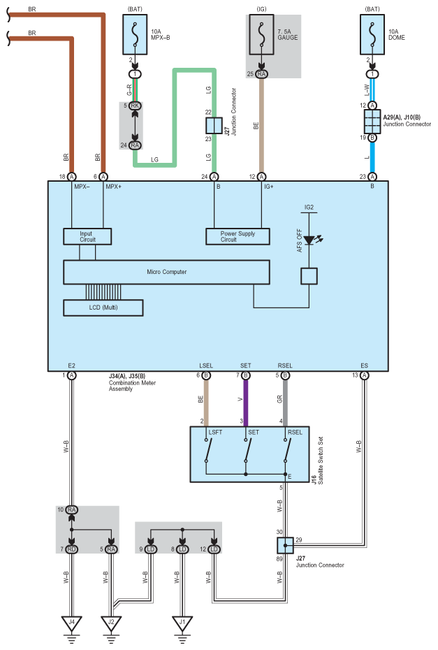
Fig 3: Adaptive Front-Lighting System - Circuit Diagram (3 Of 9)
G07561240Courtesy of © TOYOTA, LICENSE AGREEMENT TMS1002
Fig 4: Adaptive Front-Lighting System - Circuit Diagram (4 Of 9)
G07561241Courtesy of © TOYOTA, LICENSE AGREEMENT TMS1002
Fig 5: Adaptive Front-Lighting System - Circuit Diagram (5 Of 9)
G07561242Courtesy of © TOYOTA, LICENSE AGREEMENT TMS1002
Fig 6: Adaptive Front-Lighting System - Circuit Diagram (6 Of 9)
G07561243Courtesy of © TOYOTA, LICENSE AGREEMENT TMS1002
Fig 7: Adaptive Front-Lighting System - Circuit Diagram (7 Of 9)
G07561244Courtesy of © TOYOTA, LICENSE AGREEMENT TMS1002
Fig 8: Adaptive Front-Lighting System - Circuit Diagram (8 Of 9)
G07561245Courtesy of © TOYOTA, LICENSE AGREEMENT TMS1002
Fig 9: Adaptive Front-Lighting System - Circuit Diagram (9 Of 9)
G07561246Courtesy of © TOYOTA, LICENSE AGREEMENT TMS1002