lemon-mirror:
Home >> Lexus >> 2010 >> IS F >> Repair and Diagnosis >> Electrical >> Body Electrical >> OEM System Circuits >> Front Wiper and Washer >> Notes

Front Wiper and Washer: Notes

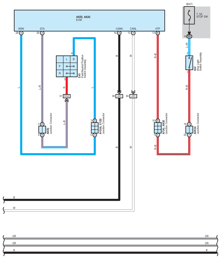
Fig 1: Front Wiper And Washer - Circuit Diagram (1 Of 9)
G07561251Courtesy of © TOYOTA, LICENSE AGREEMENT TMS1002
Fig 2: Front Wiper And Washer - Circuit Diagram (2 Of 9)
G07561252Courtesy of © TOYOTA, LICENSE AGREEMENT TMS1002
Fig 3: Front Wiper And Washer - Circuit Diagram (3 Of 9)
G07561253Courtesy of © TOYOTA, LICENSE AGREEMENT TMS1002
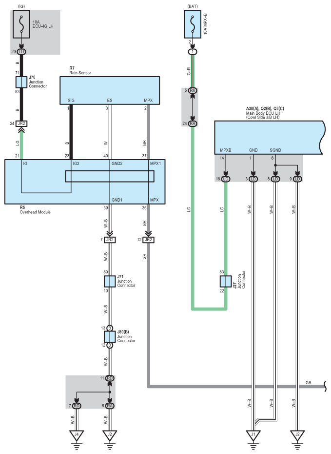
Fig 4: Front Wiper And Washer - Circuit Diagram (4 Of 9)
G07561254Courtesy of © TOYOTA, LICENSE AGREEMENT TMS1002
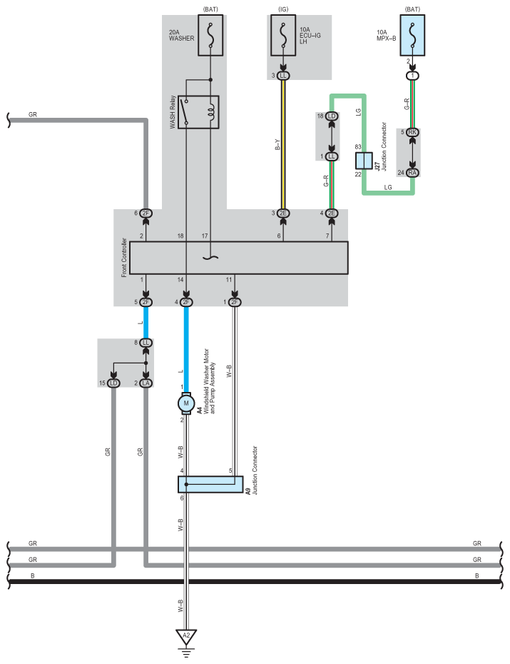
Fig 5: Front Wiper And Washer - Circuit Diagram (5 Of 9)
G07561255Courtesy of © TOYOTA, LICENSE AGREEMENT TMS1002
Fig 6: Front Wiper And Washer - Circuit Diagram (6 Of 9)
G07561256Courtesy of © TOYOTA, LICENSE AGREEMENT TMS1002
Fig 7: Front Wiper And Washer - Circuit Diagram (7 Of 9)
G07561257Courtesy of © TOYOTA, LICENSE AGREEMENT TMS1002
Fig 8: Front Wiper And Washer - Circuit Diagram (8 Of 9)
G07561258Courtesy of © TOYOTA, LICENSE AGREEMENT TMS1002
Fig 9: Front Wiper And Washer - Circuit Diagram (9 Of 9)
G07561259Courtesy of © TOYOTA, LICENSE AGREEMENT TMS1002