lemon-mirror:
Home >> Lexus >> 2010 >> IS F >> Repair and Diagnosis >> Electrical >> Body Electrical >> OEM System Circuits >> Seat Belt Warning >> Notes

Seat Belt Warning: Notes

Fig 1: Seat Belt Warning - Circuit Diagram (1 Of 3)
G07561348Courtesy of © TOYOTA, LICENSE AGREEMENT TMS1002
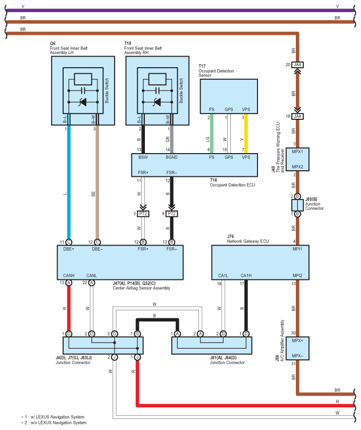
Fig 2: Seat Belt Warning - Circuit Diagram (2 Of 3)
G07561349Courtesy of © TOYOTA, LICENSE AGREEMENT TMS1002
Fig 3: Seat Belt Warning - Circuit Diagram (3 Of 3)
G07561350Courtesy of © TOYOTA, LICENSE AGREEMENT TMS1002