lemon-mirror:
Home >> Lexus >> 2010 >> LS 460 AWD >> Repair and Diagnosis >> Electrical >> Body Electrical >> OEM System Circuits >> Headlight >> Notes

OEM System Circuits: Headlight: Notes

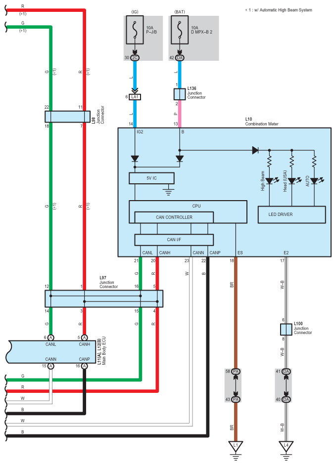
Fig 1: Headlight - Circuit Diagram (1 Of 9)
G07567745Courtesy of © TOYOTA, LICENSE AGREEMENT TMS1002
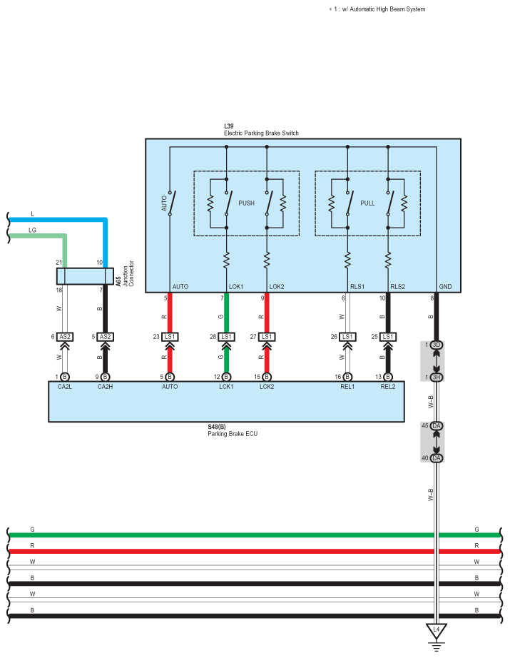
Fig 2: Headlight - Circuit Diagram (2 Of 9)
G07567746Courtesy of © TOYOTA, LICENSE AGREEMENT TMS1002
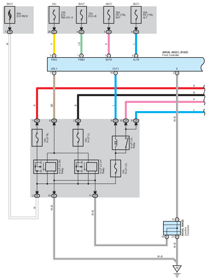
Fig 3: Headlight - Circuit Diagram (3 Of 9)
G07567747Courtesy of © TOYOTA, LICENSE AGREEMENT TMS1002
Fig 4: Headlight - Circuit Diagram (4 Of 9)
G07567748Courtesy of © TOYOTA, LICENSE AGREEMENT TMS1002
Fig 5: Headlight - Circuit Diagram (5 Of 9)
G07567749Courtesy of © TOYOTA, LICENSE AGREEMENT TMS1002
Fig 6: Headlight - Circuit Diagram (6 Of 9)
G07567750Courtesy of © TOYOTA, LICENSE AGREEMENT TMS1002
Fig 7: Headlight - Circuit Diagram (7 Of 9)
G07567751Courtesy of © TOYOTA, LICENSE AGREEMENT TMS1002
Fig 8: Headlight - Circuit Diagram (8 Of 9)
G07567752Courtesy of © TOYOTA, LICENSE AGREEMENT TMS1002
Fig 9: Headlight - Circuit Diagram (9 Of 9)
G07567753Courtesy of © TOYOTA, LICENSE AGREEMENT TMS1002