lemon-mirror:
Home >> Lexus >> 2010 >> LS 460 AWD >> Repair and Diagnosis >> Electrical >> Body Electrical >> OEM System Circuits >> Illumination >> Notes

OEM System Circuits: Illumination: Notes

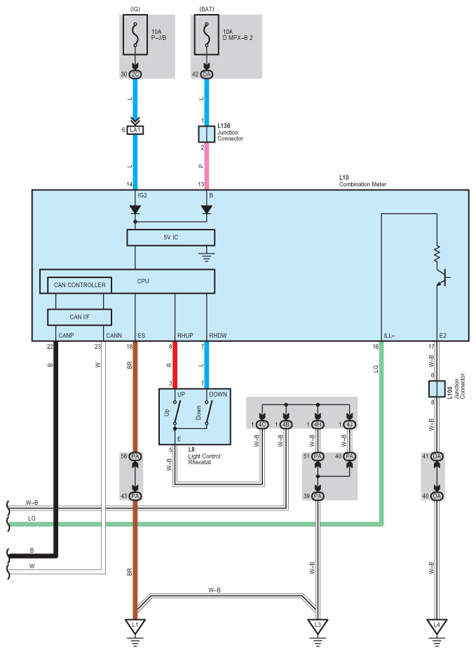
Fig 1: Illumination - Circuit Diagram (1 Of 16)
G07567768Courtesy of © TOYOTA, LICENSE AGREEMENT TMS1002
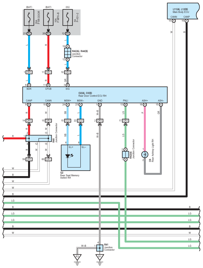
Fig 2: Illumination - Circuit Diagram (2 Of 16)
G07567769Courtesy of © TOYOTA, LICENSE AGREEMENT TMS1002
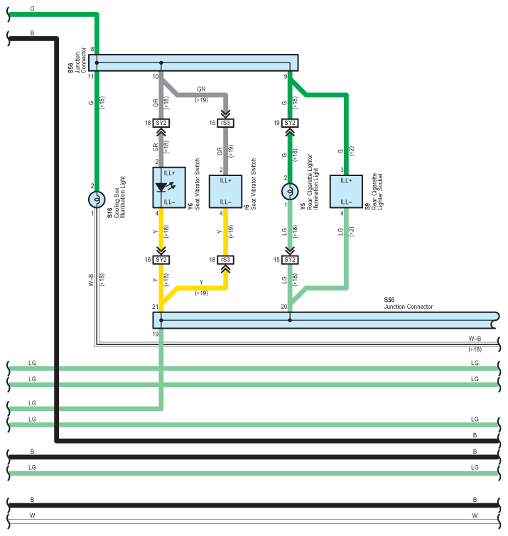
Fig 3: Illumination - Circuit Diagram (3 Of 16)
G07567770Courtesy of © TOYOTA, LICENSE AGREEMENT TMS1002
Fig 4: Illumination - Circuit Diagram (4 Of 16)
G07567771Courtesy of © TOYOTA, LICENSE AGREEMENT TMS1002
Fig 5: Illumination - Circuit Diagram (5 Of 16)
G07567772Courtesy of © TOYOTA, LICENSE AGREEMENT TMS1002
Fig 6: Illumination - Circuit Diagram (6 Of 16)
G07567773Courtesy of © TOYOTA, LICENSE AGREEMENT TMS1002
Fig 7: Illumination - Circuit Diagram (7 Of 16)
G07567774Courtesy of © TOYOTA, LICENSE AGREEMENT TMS1002
Fig 8: Illumination - Circuit Diagram (8 Of 16)
G07567775Courtesy of © TOYOTA, LICENSE AGREEMENT TMS1002
Fig 9: Illumination - Circuit Diagram (9 Of 16)
G07567776Courtesy of © TOYOTA, LICENSE AGREEMENT TMS1002
Fig 10: Illumination - Circuit Diagram (10 Of 16)
G07567777Courtesy of © TOYOTA, LICENSE AGREEMENT TMS1002
Fig 11: Illumination - Circuit Diagram (11 Of 16)
G07567778Courtesy of © TOYOTA, LICENSE AGREEMENT TMS1002
Fig 12: Illumination - Circuit Diagram (12 Of 16)
G07567779Courtesy of © TOYOTA, LICENSE AGREEMENT TMS1002
Fig 13: Illumination - Circuit Diagram (13 Of 16)
G07567780Courtesy of © TOYOTA, LICENSE AGREEMENT TMS1002
Fig 14: Illumination - Circuit Diagram (14 Of 16)
G07567781Courtesy of © TOYOTA, LICENSE AGREEMENT TMS1002
Fig 15: Illumination - Circuit Diagram (15 Of 16)
G07567782Courtesy of © TOYOTA, LICENSE AGREEMENT TMS1002
Fig 16: Illumination - Circuit Diagram (16 Of 16)
G07567783Courtesy of © TOYOTA, LICENSE AGREEMENT TMS1002