lemon-mirror:
Home >> Lexus >> 2010 >> LS 460 AWD >> Repair and Diagnosis >> Electrical >> Body Electrical >> OEM System Circuits >> Sliding Roof >> Notes

Sliding Roof: Notes

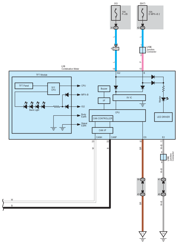
Fig 1: Sliding Roof - Circuit Diagram (1 Of 4)
G07567976Courtesy of © TOYOTA, LICENSE AGREEMENT TMS1002
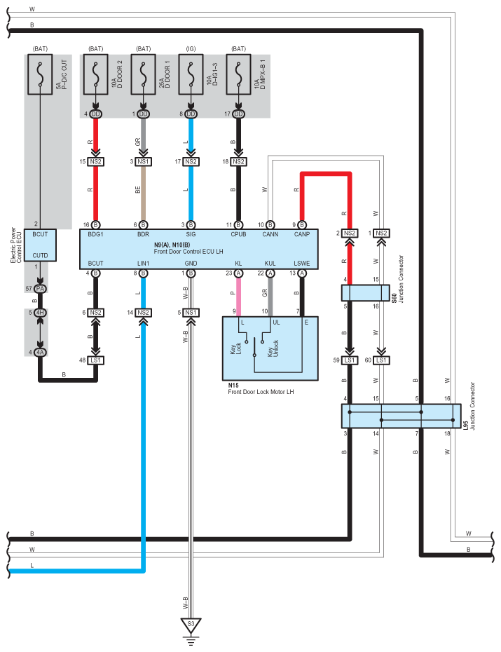
Fig 2: Sliding Roof - Circuit Diagram (2 Of 4)
G07567977Courtesy of © TOYOTA, LICENSE AGREEMENT TMS1002
Fig 3: Sliding Roof - Circuit Diagram (3 Of 4)
G07567978Courtesy of © TOYOTA, LICENSE AGREEMENT TMS1002
Fig 4: Sliding Roof - Circuit Diagram (4 Of 4)
G07567979Courtesy of © TOYOTA, LICENSE AGREEMENT TMS1002