lemon-mirror:
Home >> Lexus >> 2010 >> LS 460 AWD >> Repair and Diagnosis >> Electrical >> Body Electrical >> OEM System Circuits >> Vibration Seat >> Notes

Vibration Seat: Notes

Fig 1: Vibration Seat - Circuit Diagram (1 Of 3)
G07568038Courtesy of © TOYOTA, LICENSE AGREEMENT TMS1002
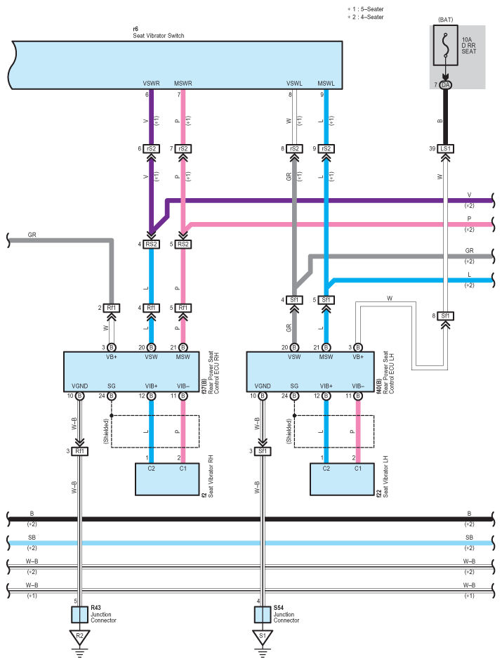
Fig 2: Vibration Seat - Circuit Diagram (2 Of 3)
G07568039Courtesy of © TOYOTA, LICENSE AGREEMENT TMS1002
Fig 3: Vibration Seat - Circuit Diagram (3 Of 3)
G07568040Courtesy of © TOYOTA, LICENSE AGREEMENT TMS1002