lemon-mirror:
Home >> Lexus >> 2010 >> LS 460 RWD >> Repair and Diagnosis >> Electrical >> Body Electrical >> OEM System Circuits >> Charging >> Notes

OEM System Circuits: Charging: Notes

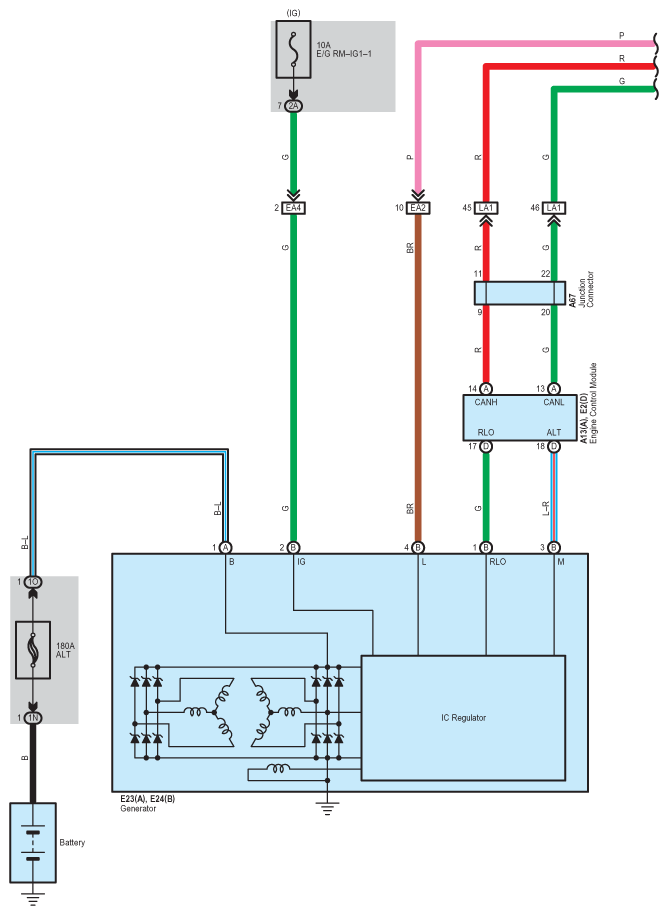
Fig 1: Charging - Circuit Diagram (1 Of 3)
G07567701Courtesy of © TOYOTA, LICENSE AGREEMENT TMS1002
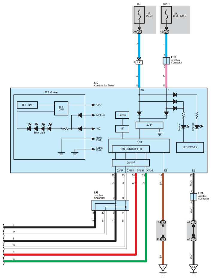
Fig 2: Charging - Circuit Diagram (2 Of 3)
G07567702Courtesy of © TOYOTA, LICENSE AGREEMENT TMS1002
Fig 3: Charging - Circuit Diagram (3 Of 3)
G07567703Courtesy of © TOYOTA, LICENSE AGREEMENT TMS1002