lemon-mirror:
Home >> Lexus >> 2010 >> LS 460 RWD >> Repair and Diagnosis >> Electrical >> Body Electrical >> OEM System Circuits >> Cruise Control >> Notes

Cruise Control: Notes

Fig 1: Cruise Control - Circuit Diagram (1 Of 10)
G07567880Courtesy of © TOYOTA, LICENSE AGREEMENT TMS1002
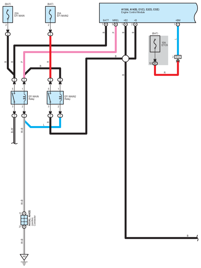
Fig 2: Cruise Control - Circuit Diagram (2 Of 10)
G07567881Courtesy of © TOYOTA, LICENSE AGREEMENT TMS1002
Fig 3: Cruise Control - Circuit Diagram (3 Of 10)
G07567882Courtesy of © TOYOTA, LICENSE AGREEMENT TMS1002
Fig 4: Cruise Control - Circuit Diagram (4 Of 10)
G07567883Courtesy of © TOYOTA, LICENSE AGREEMENT TMS1002
Fig 5: Cruise Control - Circuit Diagram (5 Of 10)
G07567884Courtesy of © TOYOTA, LICENSE AGREEMENT TMS1002
Fig 6: Cruise Control - Circuit Diagram (6 Of 10)
G07567885Courtesy of © TOYOTA, LICENSE AGREEMENT TMS1002
Fig 7: Cruise Control - Circuit Diagram (7 Of 10)
G07567886Courtesy of © TOYOTA, LICENSE AGREEMENT TMS1002
Fig 8: Cruise Control - Circuit Diagram (8 Of 10)
G07567887Courtesy of © TOYOTA, LICENSE AGREEMENT TMS1002
Fig 9: Cruise Control - Circuit Diagram (9 Of 10)
G07567888Courtesy of © TOYOTA, LICENSE AGREEMENT TMS1002
Fig 10: Cruise Control - Circuit Diagram (10 Of 10)
G07567889Courtesy of © TOYOTA, LICENSE AGREEMENT TMS1002