lemon-mirror:
Home >> Lexus >> 2010 >> LS 460 RWD >> Repair and Diagnosis >> Electrical >> Body Electrical >> OEM System Circuits >> Taillight >> Notes

OEM System Circuits: Taillight: Notes

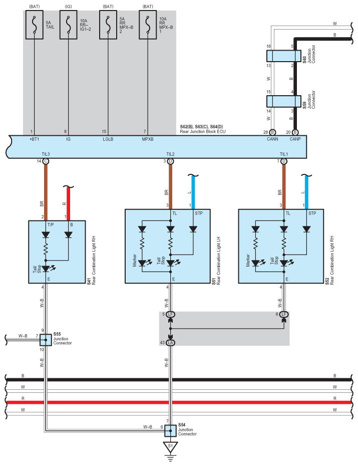
Fig 1: Taillight - Circuit Diagram (1 Of 5)
G07567784Courtesy of © TOYOTA, LICENSE AGREEMENT TMS1002
Fig 2: Taillight - Circuit Diagram (2 Of 5)
G07567785Courtesy of © TOYOTA, LICENSE AGREEMENT TMS1002
Fig 3: Taillight - Circuit Diagram (3 Of 5)
G07567786Courtesy of © TOYOTA, LICENSE AGREEMENT TMS1002
Fig 4: Taillight - Circuit Diagram (4 Of 5)
G07567787Courtesy of © TOYOTA, LICENSE AGREEMENT TMS1002
Fig 5: Taillight - Circuit Diagram (5 Of 5)
G07567788Courtesy of © TOYOTA, LICENSE AGREEMENT TMS1002