lemon-mirror:
Home >> Lexus >> 2010 >> LS 600hL >> Repair and Diagnosis >> Electrical >> Body Electrical >> OEM System Circuits >> Active Stabilizer Suspension System >> Notes

Active Stabilizer Suspension System: Notes

Fig 1: Active Stabilizer Suspension System - Circuit Diagram (1 Of 8)
G07568810Courtesy of © TOYOTA, LICENSE AGREEMENT TMS1002
Fig 2: Active Stabilizer Suspension System - Circuit Diagram (2 Of 8)
G07568811Courtesy of © TOYOTA, LICENSE AGREEMENT TMS1002
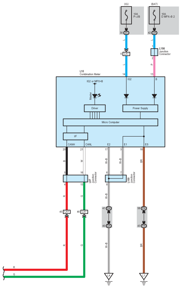
Fig 3: Active Stabilizer Suspension System - Circuit Diagram (3 Of 8)
G07568812Courtesy of © TOYOTA, LICENSE AGREEMENT TMS1002
Fig 4: Active Stabilizer Suspension System - Circuit Diagram (4 Of 8)
G07568813Courtesy of © TOYOTA, LICENSE AGREEMENT TMS1002
Fig 5: Active Stabilizer Suspension System - Circuit Diagram (5 Of 8)
G07568814Courtesy of © TOYOTA, LICENSE AGREEMENT TMS1002
Fig 6: Active Stabilizer Suspension System - Circuit Diagram (6 Of 8)
G07568815Courtesy of © TOYOTA, LICENSE AGREEMENT TMS1002
Fig 7: Active Stabilizer Suspension System - Circuit Diagram (7 Of 8)
G07568816Courtesy of © TOYOTA, LICENSE AGREEMENT TMS1002
Fig 8: Active Stabilizer Suspension System - Circuit Diagram (8 Of 8)
G07568817Courtesy of © TOYOTA, LICENSE AGREEMENT TMS1002