lemon-mirror:
Home >> Lexus >> 2010 >> LS 600hL >> Repair and Diagnosis >> Electrical >> Body Electrical >> OEM System Circuits >> Adaptive Front-Lighting System >> Notes

Adaptive Front-Lighting System: Notes

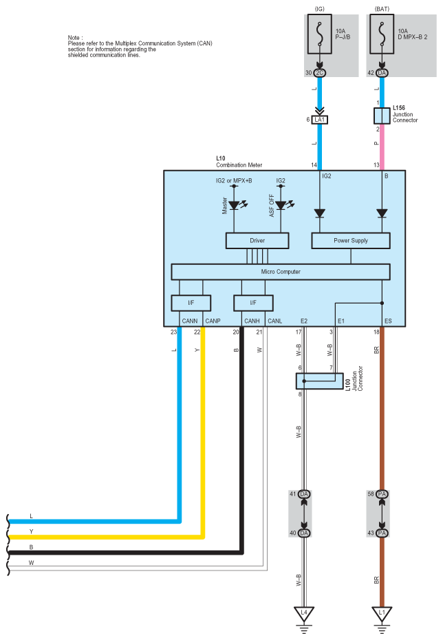
Fig 1: Adaptive Front-Lighting System - Circuit Diagram (1 Of 6)
G07568651Courtesy of © TOYOTA, LICENSE AGREEMENT TMS1002
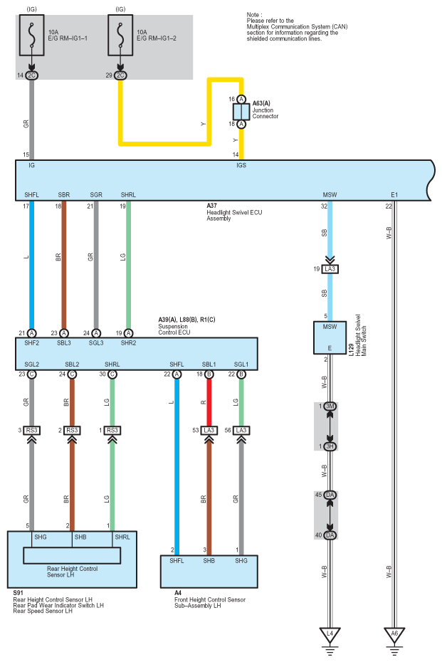
Fig 2: Adaptive Front-Lighting System - Circuit Diagram (2 Of 6)
G07568652Courtesy of © TOYOTA, LICENSE AGREEMENT TMS1002
Fig 3: Adaptive Front-Lighting System - Circuit Diagram (3 Of 6)
G07568653Courtesy of © TOYOTA, LICENSE AGREEMENT TMS1002
Fig 4: Adaptive Front-Lighting System - Circuit Diagram (4 Of 6)
G07568654Courtesy of © TOYOTA, LICENSE AGREEMENT TMS1002
Fig 5: Adaptive Front-Lighting System - Circuit Diagram (5 Of 6)
G07568655Courtesy of © TOYOTA, LICENSE AGREEMENT TMS1002
Fig 6: Adaptive Front-Lighting System - Circuit Diagram (6 Of 6)
G07568656Courtesy of © TOYOTA, LICENSE AGREEMENT TMS1002