lemon-mirror:
Home >> Lexus >> 2010 >> LS 600hL >> Repair and Diagnosis >> Electrical >> Body Electrical >> OEM System Circuits >> Illumination >> Notes

OEM System Circuits: Illumination: Notes

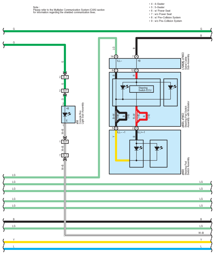
Fig 1: Illumination - Circuit Diagram (1 Of 15)
G07568618Courtesy of © TOYOTA, LICENSE AGREEMENT TMS1002
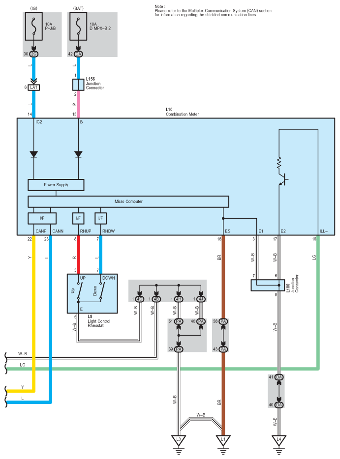
Fig 2: Illumination - Circuit Diagram (2 Of 15)
G07568619Courtesy of © TOYOTA, LICENSE AGREEMENT TMS1002
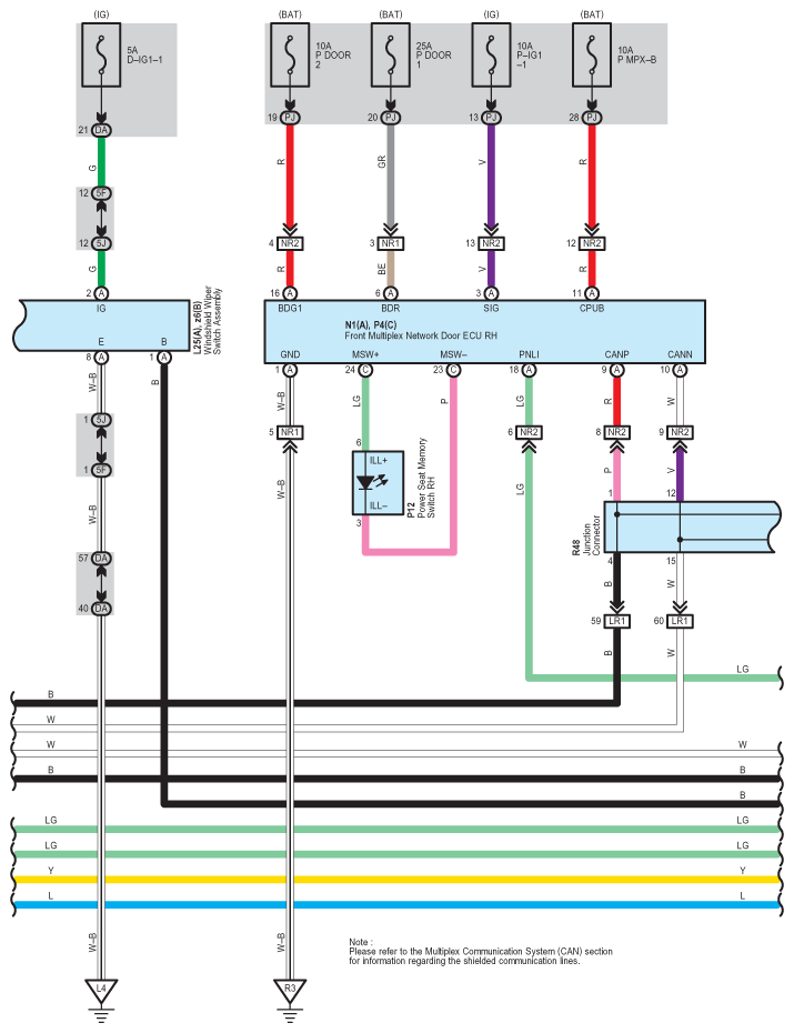
Fig 3: Illumination - Circuit Diagram (3 Of 15)
G07568620Courtesy of © TOYOTA, LICENSE AGREEMENT TMS1002
Fig 4: Illumination - Circuit Diagram (4 Of 15)
G07568621Courtesy of © TOYOTA, LICENSE AGREEMENT TMS1002
Fig 5: Illumination - Circuit Diagram (5 Of 15)
G07568622Courtesy of © TOYOTA, LICENSE AGREEMENT TMS1002
Fig 6: Illumination - Circuit Diagram (6 Of 15)
G07568623Courtesy of © TOYOTA, LICENSE AGREEMENT TMS1002
Fig 7: Illumination - Circuit Diagram (7 Of 15)
G07568624Courtesy of © TOYOTA, LICENSE AGREEMENT TMS1002
Fig 8: Illumination - Circuit Diagram (8 Of 15)
G07568625Courtesy of © TOYOTA, LICENSE AGREEMENT TMS1002
Fig 9: Illumination - Circuit Diagram (9 Of 15)
G07568626Courtesy of © TOYOTA, LICENSE AGREEMENT TMS1002
Fig 10: Illumination - Circuit Diagram (10 Of 15)
G07568627Courtesy of © TOYOTA, LICENSE AGREEMENT TMS1002
Fig 11: Illumination - Circuit Diagram (11 Of 15)
G07568628Courtesy of © TOYOTA, LICENSE AGREEMENT TMS1002
Fig 12: Illumination - Circuit Diagram (12 Of 15)
G07568629Courtesy of © TOYOTA, LICENSE AGREEMENT TMS1002
Fig 13: Illumination - Circuit Diagram (13 Of 15)
G07568630Courtesy of © TOYOTA, LICENSE AGREEMENT TMS1002
Fig 14: Illumination - Circuit Diagram (14 Of 15)
G07568631Courtesy of © TOYOTA, LICENSE AGREEMENT TMS1002
Fig 15: Illumination - Circuit Diagram (15 Of 15)
G07568632Courtesy of © TOYOTA, LICENSE AGREEMENT TMS1002