lemon-mirror:
Home >> Lexus >> 2010 >> LS 600hL >> Repair and Diagnosis >> Electrical >> Body Electrical >> OEM System Circuits >> Power Window >> Notes

Power Window: Notes

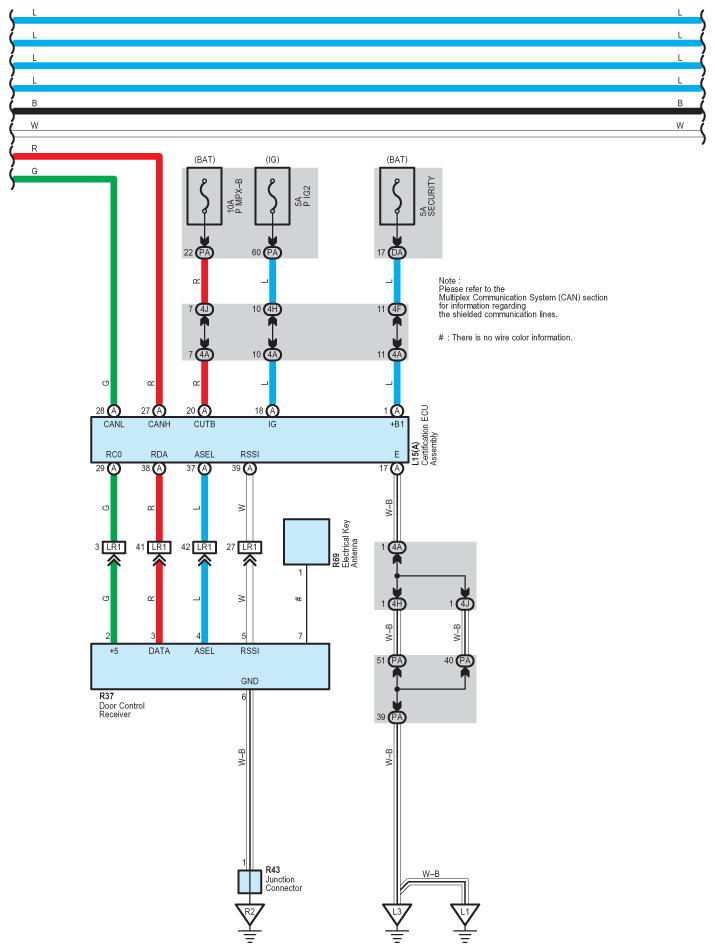
Fig 1: Power Window - Circuit Diagram (1 Of 8)
G07568663Courtesy of © TOYOTA, LICENSE AGREEMENT TMS1002
Fig 2: Power Window - Circuit Diagram (2 Of 8)
G07568664Courtesy of © TOYOTA, LICENSE AGREEMENT TMS1002
Fig 3: Power Window - Circuit Diagram (3 Of 8)
G07568665Courtesy of © TOYOTA, LICENSE AGREEMENT TMS1002
Fig 4: Power Window - Circuit Diagram (4 Of 8)
G07568666Courtesy of © TOYOTA, LICENSE AGREEMENT TMS1002
Fig 5: Power Window - Circuit Diagram (5 Of 8)
G07568667Courtesy of © TOYOTA, LICENSE AGREEMENT TMS1002
Fig 6: Power Window - Circuit Diagram (6 Of 8)
G07568668Courtesy of © TOYOTA, LICENSE AGREEMENT TMS1002
Fig 7: Power Window - Circuit Diagram (7 Of 8)
G07568669Courtesy of © TOYOTA, LICENSE AGREEMENT TMS1002
Fig 8: Power Window - Circuit Diagram (8 Of 8)
G07568670Courtesy of © TOYOTA, LICENSE AGREEMENT TMS1002