lemon-mirror:
Home >> Lexus >> 2010 >> LS 600hL >> Repair and Diagnosis >> Electrical >> Body Electrical >> OEM System Circuits >> Stop Light >> Notes

Stop Light: Notes

Fig 1: Stop Light - Circuit Diagram (1 Of 3)
G07568638Courtesy of © TOYOTA, LICENSE AGREEMENT TMS1002
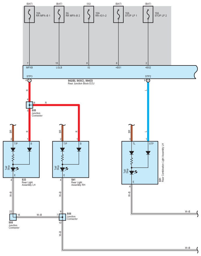
Fig 2: Stop Light - Circuit Diagram (2 Of 3)
G07568639Courtesy of © TOYOTA, LICENSE AGREEMENT TMS1002
Fig 3: Stop Light - Circuit Diagram (3 Of 3)
G07568640Courtesy of © TOYOTA, LICENSE AGREEMENT TMS1002