lemon-mirror:
Home >> Lexus >> 2010 >> LX 570 >> Repair and Diagnosis >> Electrical >> Body Electrical >> OEM System Circuits >> Interior Light >> Notes

Interior Light: Notes

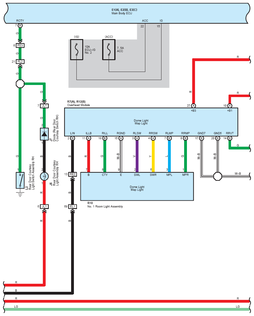
Fig 1: Interior Light - Circuit Diagram (1 Of 10)
G07562105Courtesy of © TOYOTA, LICENSE AGREEMENT TMS1002
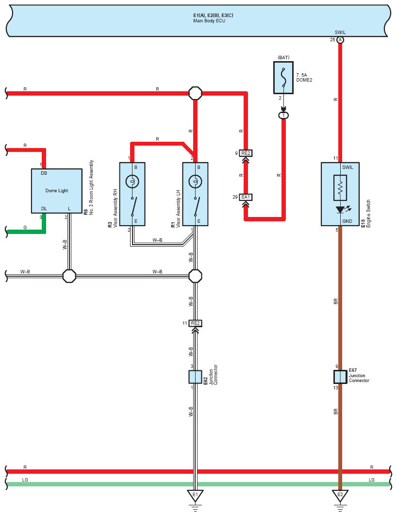
Fig 2: Interior Light - Circuit Diagram (2 Of 10)
G07562106Courtesy of © TOYOTA, LICENSE AGREEMENT TMS1002
Fig 3: Interior Light - Circuit Diagram (3 Of 10)
G07562107Courtesy of © TOYOTA, LICENSE AGREEMENT TMS1002
Fig 4: Interior Light - Circuit Diagram (4 Of 10)
G07562108Courtesy of © TOYOTA, LICENSE AGREEMENT TMS1002
Fig 5: Interior Light - Circuit Diagram (5 Of 10)
G07562109Courtesy of © TOYOTA, LICENSE AGREEMENT TMS1002
Fig 6: Interior Light - Circuit Diagram (6 Of 10)
G07562110Courtesy of © TOYOTA, LICENSE AGREEMENT TMS1002
Fig 7: Interior Light - Circuit Diagram (7 Of 10)
G07562111Courtesy of © TOYOTA, LICENSE AGREEMENT TMS1002
Fig 8: Interior Light - Circuit Diagram (8 Of 10)
G07562112Courtesy of © TOYOTA, LICENSE AGREEMENT TMS1002
Fig 9: Interior Light - Circuit Diagram (9 Of 10)
G07562113Courtesy of © TOYOTA, LICENSE AGREEMENT TMS1002
Fig 10: Interior Light - Circuit Diagram (10 Of 10)
G07562114Courtesy of © TOYOTA, LICENSE AGREEMENT TMS1002