lemon-mirror:
Home >> Lexus >> 2010 >> LX 570 >> Repair and Diagnosis >> Electrical >> Body Electrical >> OEM System Circuits >> Multi Mode 4WD >> Notes

Multi Mode 4WD: Notes

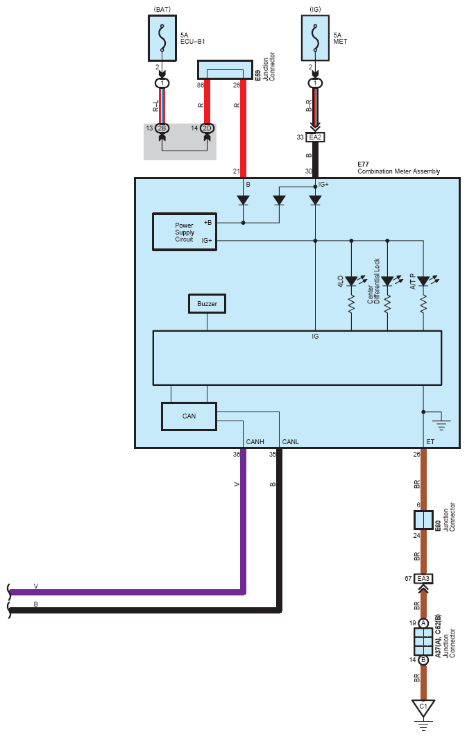
Fig 1: Multi Mode 4WD - Circuit Diagram (1 Of 7)
G07562186Courtesy of © TOYOTA, LICENSE AGREEMENT TMS1002
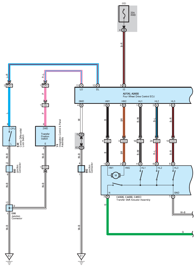
Fig 2: Multi Mode 4WD - Circuit Diagram (2 Of 7)
G07562187Courtesy of © TOYOTA, LICENSE AGREEMENT TMS1002
Fig 3: Multi Mode 4WD - Circuit Diagram (3 Of 7)
G07562188Courtesy of © TOYOTA, LICENSE AGREEMENT TMS1002
Fig 4: Multi Mode 4WD - Circuit Diagram (4 Of 7)
G07562189Courtesy of © TOYOTA, LICENSE AGREEMENT TMS1002
Fig 5: Multi Mode 4WD - Circuit Diagram (5 Of 7)
G07562190Courtesy of © TOYOTA, LICENSE AGREEMENT TMS1002
Fig 6: Multi Mode 4WD - Circuit Diagram (6 Of 7)
G07562191Courtesy of © TOYOTA, LICENSE AGREEMENT TMS1002
Fig 7: Multi Mode 4WD - Circuit Diagram (7 Of 7)
G07562192Courtesy of © TOYOTA, LICENSE AGREEMENT TMS1002