lemon-mirror:
Home >> Lexus >> 2010 >> LX 570 >> Repair and Diagnosis >> Electrical >> Body Electrical >> OEM System Circuits >> VGRS System >> Notes

VGRS System: Notes

Fig 1: VGRS System - Circuit Diagram (1 Of 4)
G07562201Courtesy of © TOYOTA, LICENSE AGREEMENT TMS1002
Fig 2: VGRS System - Circuit Diagram (2 Of 4)
G07562202Courtesy of © TOYOTA, LICENSE AGREEMENT TMS1002
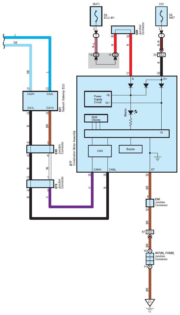
Fig 3: VGRS System - Circuit Diagram (3 Of 4)
G07562203Courtesy of © TOYOTA, LICENSE AGREEMENT TMS1002
Fig 4: VGRS System - Circuit Diagram (4 Of 4)
G07562204Courtesy of © TOYOTA, LICENSE AGREEMENT TMS1002