lemon-mirror:
Home >> Lexus >> 2010 >> RX 350 FWD >> Repair and Diagnosis >> Electrical >> Body Electrical >> OEM System Circuits >> Climate Control Seat >> Notes

Climate Control Seat: Notes

Fig 1: Climate Control Seat - Circuit Diagram (1 Of 4)
G07573960Courtesy of © TOYOTA, LICENSE AGREEMENT TMS1002
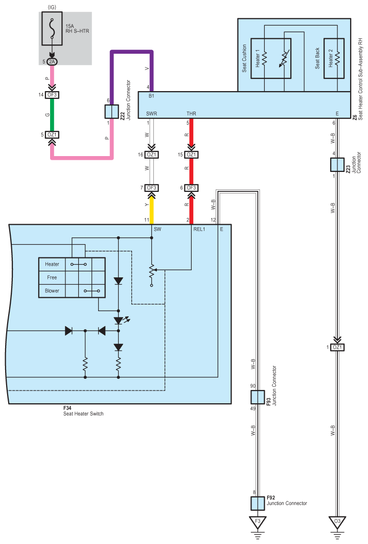
Fig 2: Climate Control Seat - Circuit Diagram (2 Of 4)
G07573961Courtesy of © TOYOTA, LICENSE AGREEMENT TMS1002
Fig 3: Climate Control Seat - Circuit Diagram (3 Of 4)
G07573962Courtesy of © TOYOTA, LICENSE AGREEMENT TMS1002
Fig 4: Climate Control Seat - Circuit Diagram (4 Of 4)
G07573963Courtesy of © TOYOTA, LICENSE AGREEMENT TMS1002