lemon-mirror:
Home >> Lexus >> 2010 >> RX 350 FWD >> Repair and Diagnosis >> Electrical >> Body Electrical >> OEM System Circuits >> Horn >> Notes

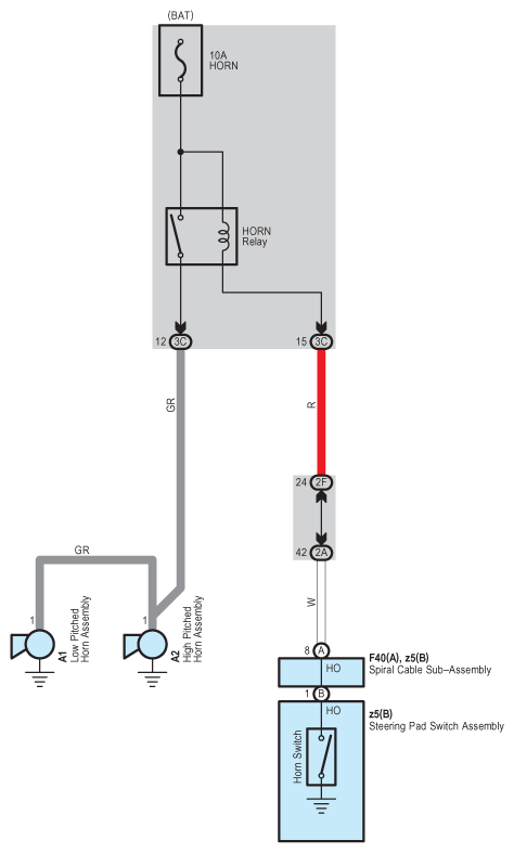
OEM System Circuits: Horn: Notes

Fig 1: Horn - Circuit Diagram
G07573911Courtesy of © TOYOTA, LICENSE AGREEMENT TMS1002