lemon-mirror:
Home >> Lexus >> 2010 >> RX 350 FWD >> Repair and Diagnosis >> Electrical >> Body Electrical >> OEM System Circuits >> Power Back Door >> Notes

Power Back Door: Notes

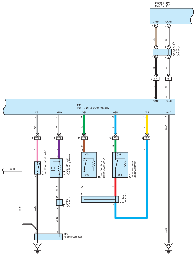
Fig 1: Power Back Door - Circuit Diagram (1 Of 5)
G07573812Courtesy of © TOYOTA, LICENSE AGREEMENT TMS1002
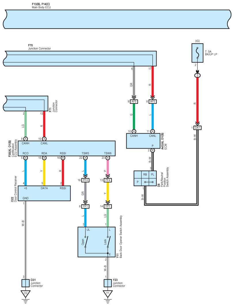
Fig 2: Power Back Door - Circuit Diagram (2 Of 5)
G07573813Courtesy of © TOYOTA, LICENSE AGREEMENT TMS1002
Fig 3: Power Back Door - Circuit Diagram (3 Of 5)
G07573814Courtesy of © TOYOTA, LICENSE AGREEMENT TMS1002
Fig 4: Power Back Door - Circuit Diagram (4 Of 5)
G07573815Courtesy of © TOYOTA, LICENSE AGREEMENT TMS1002
Fig 5: Power Back Door - Circuit Diagram (5 Of 5)
G07573816Courtesy of © TOYOTA, LICENSE AGREEMENT TMS1002