lemon-mirror:
Home >> Lexus >> 2010 >> SC 430 >> Repair and Diagnosis >> Electrical >> Body Electrical >> OEM System Circuits >> Multiplex Communication System (Door ECU) >> Notes

Multiplex Communication System (Door ECU): Notes

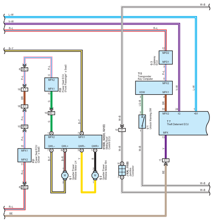
Fig 1: Multiplex Communication System (Door ECU) - Circuit Diagram (1 Of 7)
G07605902Courtesy of © TOYOTA, LICENSE AGREEMENT TMS1002
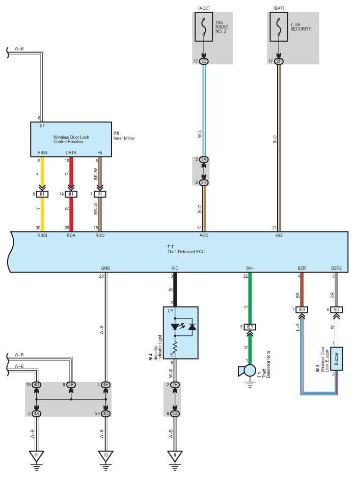
Fig 2: Multiplex Communication System (Door ECU) - Circuit Diagram (2 Of 7)
G07605903Courtesy of © TOYOTA, LICENSE AGREEMENT TMS1002
Fig 3: Multiplex Communication System (Door ECU) - Circuit Diagram (3 Of 7)
G07605904Courtesy of © TOYOTA, LICENSE AGREEMENT TMS1002
Fig 4: Multiplex Communication System (Door ECU) - Circuit Diagram (4 Of 7)
G07605905Courtesy of © TOYOTA, LICENSE AGREEMENT TMS1002
Fig 5: Multiplex Communication System (Door ECU) - Circuit Diagram (5 Of 7)
G07605906Courtesy of © TOYOTA, LICENSE AGREEMENT TMS1002
Fig 6: Multiplex Communication System (Door ECU) - Circuit Diagram (6 Of 7)
G07605907Courtesy of © TOYOTA, LICENSE AGREEMENT TMS1002
Fig 7: Multiplex Communication System (Door ECU) - Circuit Diagram (7 Of 7)
G07605908Courtesy of © TOYOTA, LICENSE AGREEMENT TMS1002