lemon-mirror:
Home >> Lexus >> 2010 >> SC 430 >> Repair and Diagnosis >> Electrical >> Body Electrical >> OEM System Circuits >> Stop Light >> Notes

Stop Light: Notes

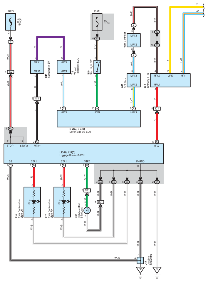
Fig 1: Stop Light - Circuit Diagram (1 Of 2)
G07605916Courtesy of © TOYOTA, LICENSE AGREEMENT TMS1002
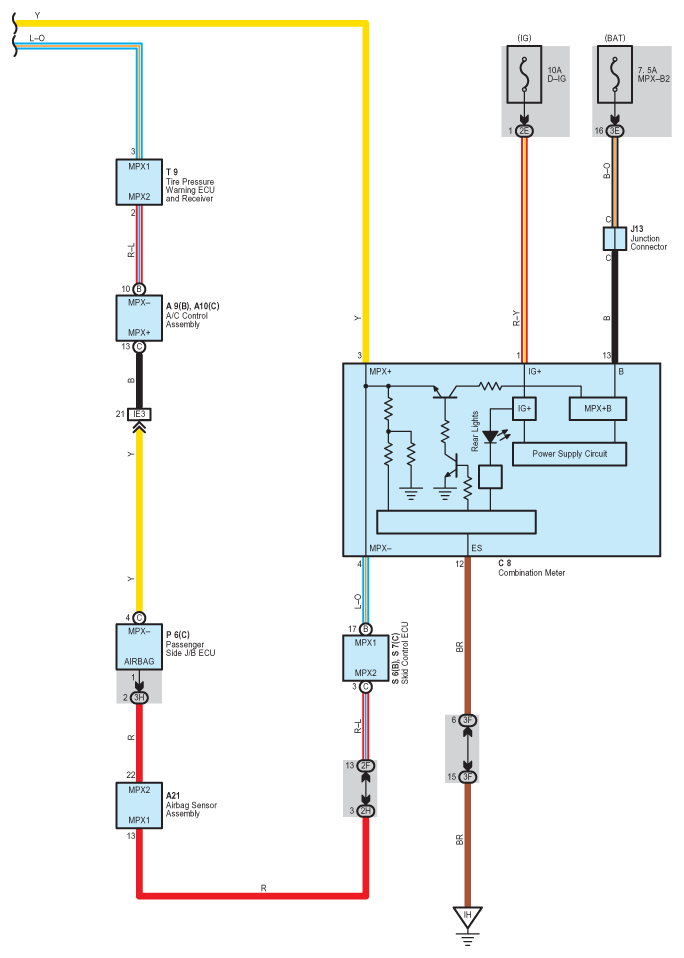
Fig 2: Stop Light - Circuit Diagram (2 Of 2)
G07605917Courtesy of © TOYOTA, LICENSE AGREEMENT TMS1002