lemon-mirror:
Home >> Lexus >> 2010 >> SC 430 >> Repair and Diagnosis >> Electrical >> Body Electrical >> OEM System Circuits >> Wiper and Washer >> Notes

Wiper and Washer: Notes

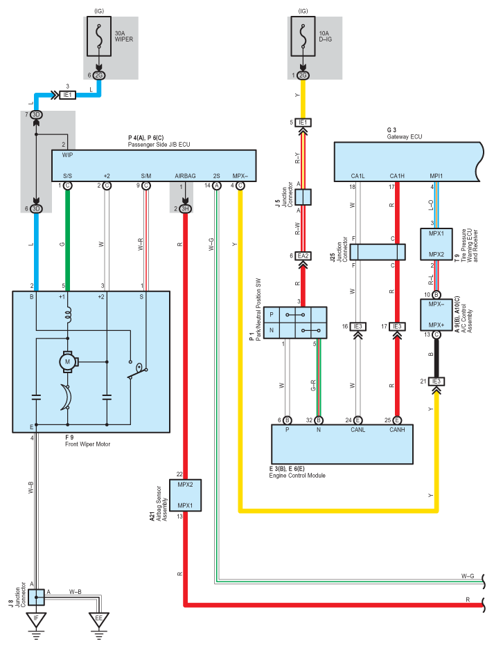
Fig 1: Wiper And Washer - Circuit Diagram (1 Of 3)
G07605971Courtesy of © TOYOTA, LICENSE AGREEMENT TMS1002
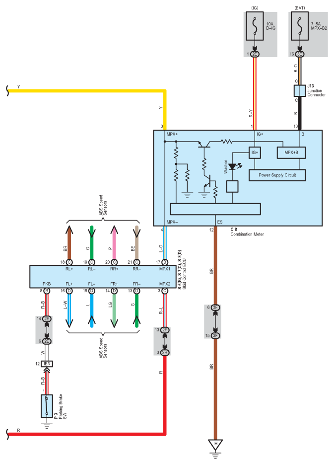
Fig 2: Wiper And Washer - Circuit Diagram (2 Of 3)
G07605972Courtesy of © TOYOTA, LICENSE AGREEMENT TMS1002
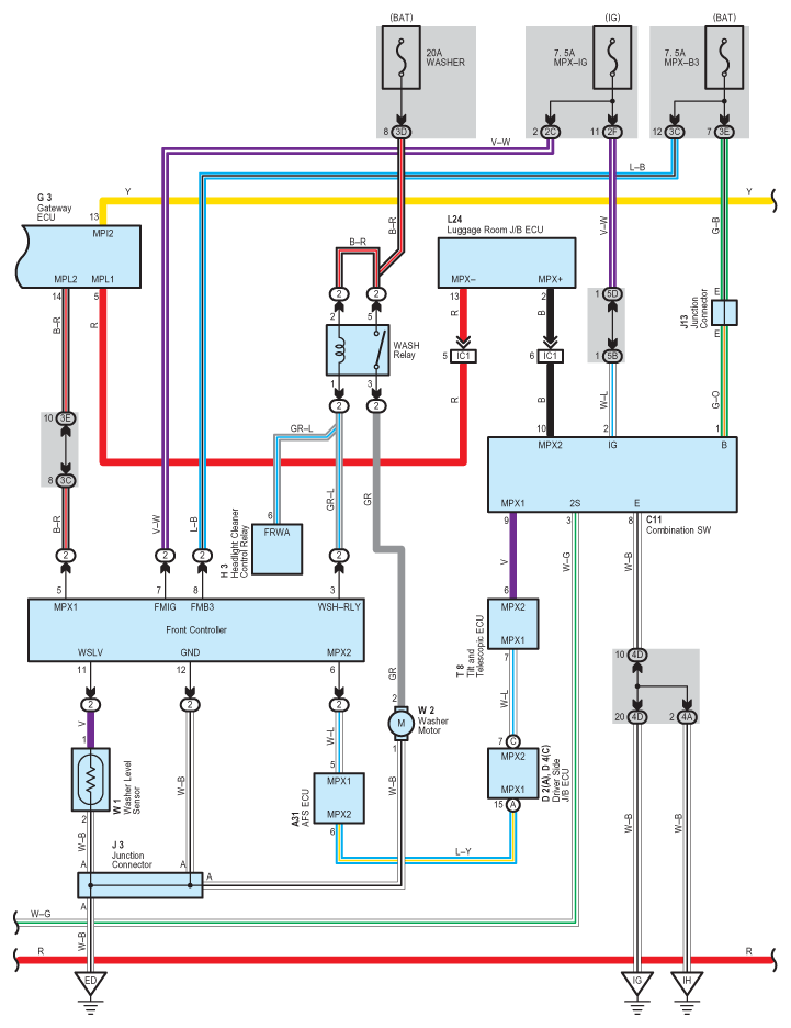
Fig 3: Wiper And Washer - Circuit Diagram (3 Of 3)
G07605973Courtesy of © TOYOTA, LICENSE AGREEMENT TMS1002