lemon-mirror:
Home >> Lexus >> 2011 >> CT 200h >> Repair and Diagnosis >> Electrical >> Body Electrical >> OEM System Circuits >> Combination Meter >> Notes

Combination Meter: Notes

Fig 1: Combination Meter - Wiring Diagram (1 Of 8)
G07777202Courtesy of © TOYOTA, LICENSE AGREEMENT TMS1002
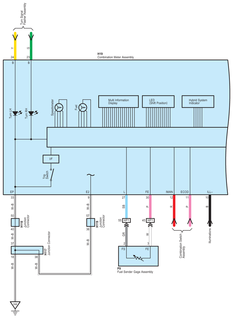
Fig 2: Combination Meter - Wiring Diagram (2 Of 8)
G07777203Courtesy of © TOYOTA, LICENSE AGREEMENT TMS1002
Fig 3: Combination Meter - Wiring Diagram (3 Of 8)
G07777204Courtesy of © TOYOTA, LICENSE AGREEMENT TMS1002
Fig 4: Combination Meter - Wiring Diagram (4 Of 8)
G07777205Courtesy of © TOYOTA, LICENSE AGREEMENT TMS1002
Fig 5: Combination Meter - Wiring Diagram (5 Of 8)
G07777206Courtesy of © TOYOTA, LICENSE AGREEMENT TMS1002
Fig 6: Combination Meter - Wiring Diagram (6 Of 8)
G07777207Courtesy of © TOYOTA, LICENSE AGREEMENT TMS1002
Fig 7: Combination Meter - Wiring Diagram (7 Of 8)
G07777208Courtesy of © TOYOTA, LICENSE AGREEMENT TMS1002
Fig 8: Combination Meter - Wiring Diagram (8 Of 8)
G07777209Courtesy of © TOYOTA, LICENSE AGREEMENT TMS1002