lemon-mirror:
Home >> Lexus >> 2011 >> CT 200h >> Repair and Diagnosis >> Electrical >> Body Electrical >> OEM System Circuits >> LEXUS ENFORM or Safety Connect >> Notes

LEXUS ENFORM or Safety Connect: Notes

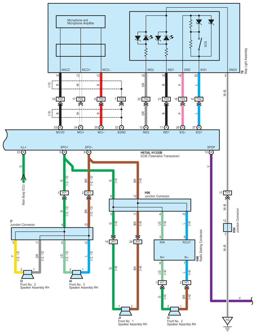
Fig 1: Lexus Enform Or Safety Connect - Wiring Diagram (1 Of 4)
G07777158Courtesy of © TOYOTA, LICENSE AGREEMENT TMS1002
Fig 2: Lexus Enform Or Safety Connect - Wiring Diagram (2 Of 4)
G07777159Courtesy of © TOYOTA, LICENSE AGREEMENT TMS1002
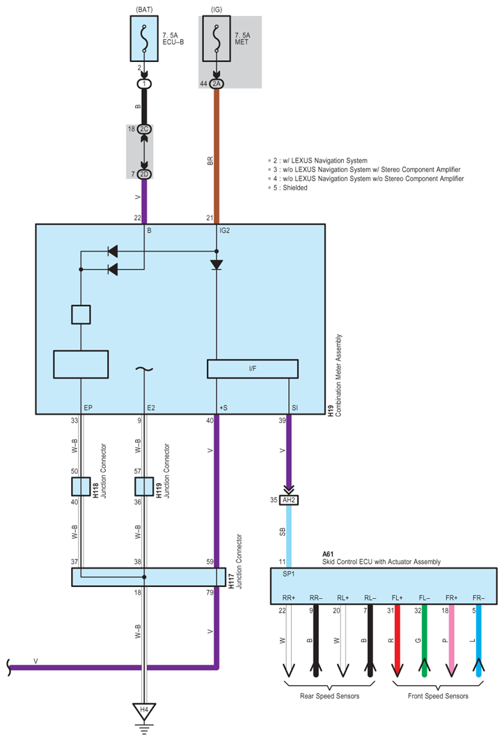
Fig 3: Lexus Enform Or Safety Connect - Wiring Diagram (3 Of 4)
G07777160Courtesy of © TOYOTA, LICENSE AGREEMENT TMS1002
Fig 4: Lexus Enform Or Safety Connect - Wiring Diagram (4 Of 4)
G07777161Courtesy of © TOYOTA, LICENSE AGREEMENT TMS1002