lemon-mirror:
Home >> Lexus >> 2011 >> CT 200h >> Repair and Diagnosis >> Electrical >> Body Electrical >> OEM System Circuits >> Power Source >> Notes

Power Source: Notes

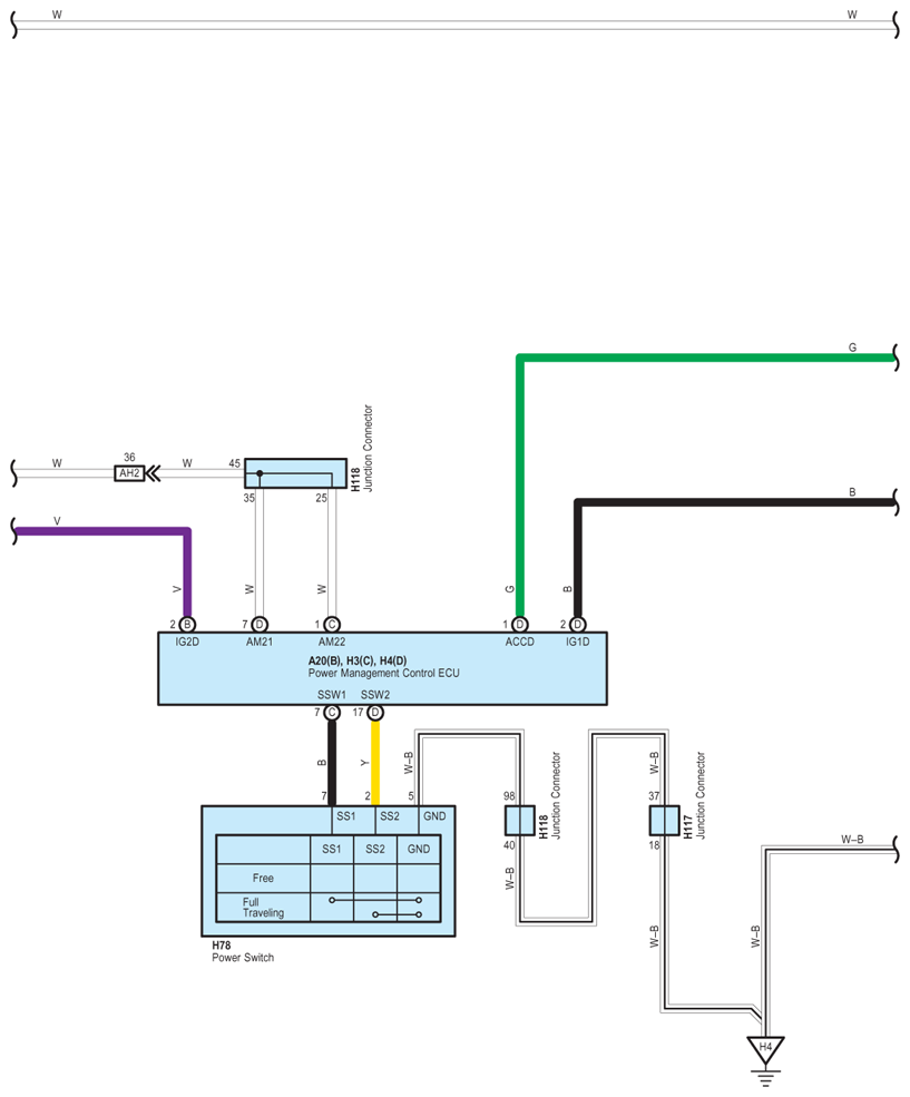
Fig 1: Power Source Diagram - Wiring Diagram (1 Of 6)
G07776933Courtesy of © TOYOTA, LICENSE AGREEMENT TMS1002
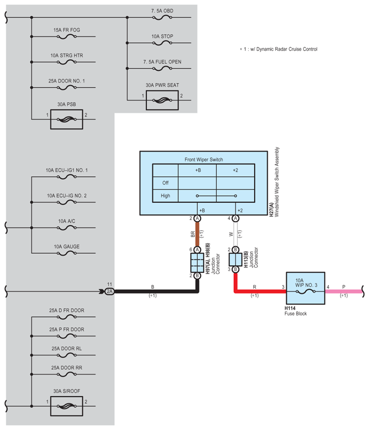
Fig 2: Power Source Diagram - Wiring Diagram (2 Of 6)
G07776934Courtesy of © TOYOTA, LICENSE AGREEMENT TMS1002
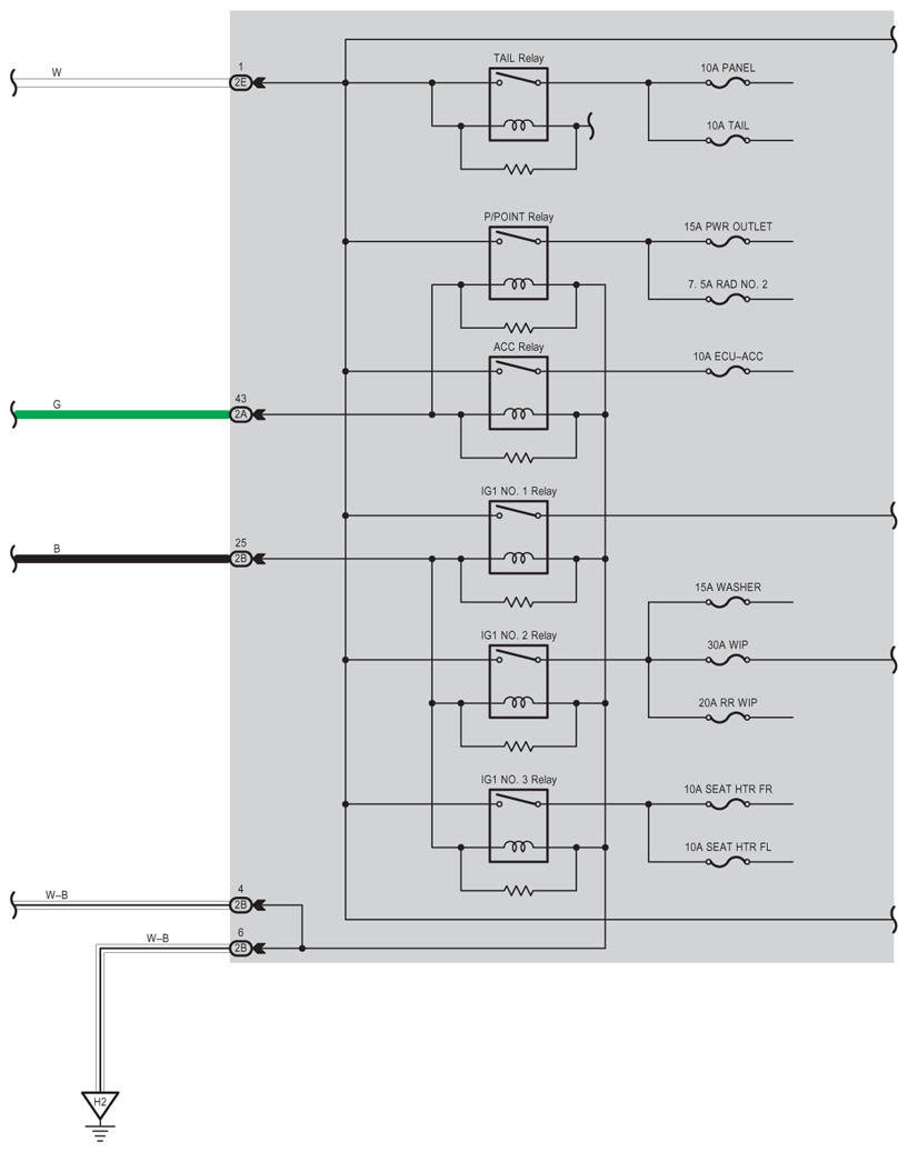
Fig 3: Power Source Diagram - Wiring Diagram (3 Of 6)
G07776935Courtesy of © TOYOTA, LICENSE AGREEMENT TMS1002
Fig 4: Power Source Diagram - Wiring Diagram (4 Of 6)
G07776936Courtesy of © TOYOTA, LICENSE AGREEMENT TMS1002
Fig 5: Power Source Diagram - Wiring Diagram (5 Of 6)
G07776937Courtesy of © TOYOTA, LICENSE AGREEMENT TMS1002
Fig 6: Power Source Diagram - Wiring Diagram (6 Of 6)
G07776938Courtesy of © TOYOTA, LICENSE AGREEMENT TMS1002