lemon-mirror:
Home >> Lexus >> 2011 >> CT 200h >> Repair and Diagnosis >> Electrical >> Body Electrical >> OEM System Circuits >> Seat Heater >> Notes

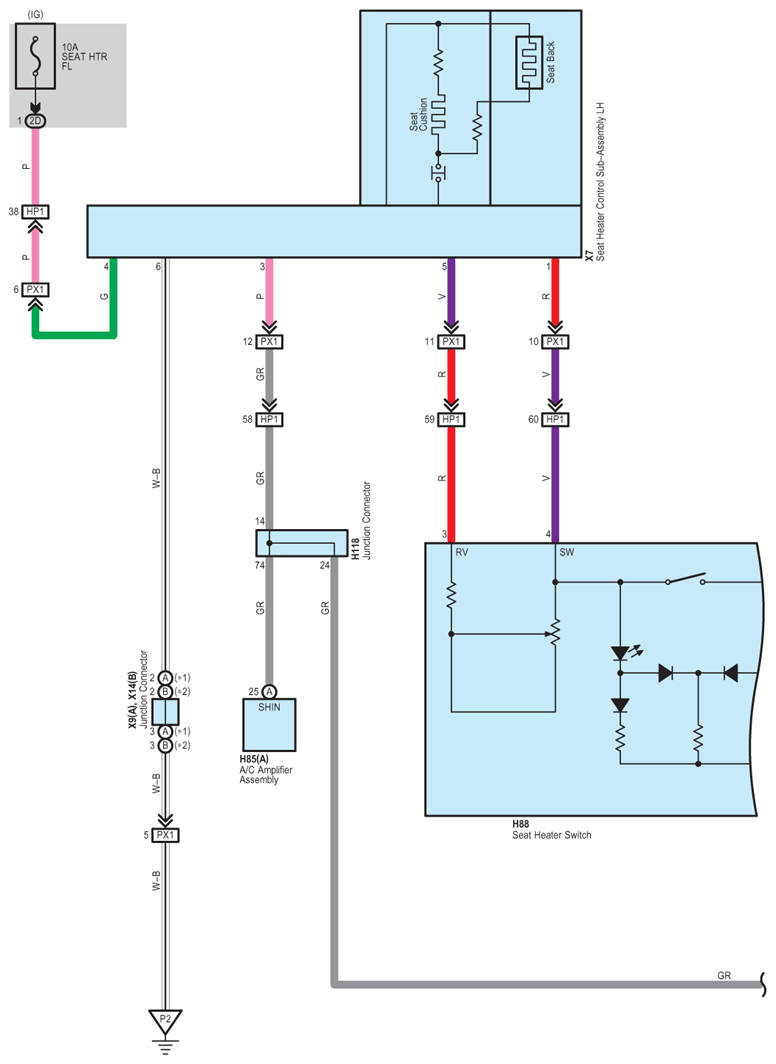
Seat Heater: Notes

Fig 1: Seat Heater - Wiring Diagram (1 Of 2)
G07777146Courtesy of © TOYOTA, LICENSE AGREEMENT TMS1002
Fig 2: Seat Heater - Wiring Diagram (2 Of 2)
G07777147Courtesy of © TOYOTA, LICENSE AGREEMENT TMS1002