lemon-mirror:
Home >> Lexus >> 2011 >> ES 350 >> Repair and Diagnosis >> Electrical >> Body Electrical >> OEM System Circuits >> Light Auto Turn Off System >> Notes

Light Auto Turn Off System: Notes

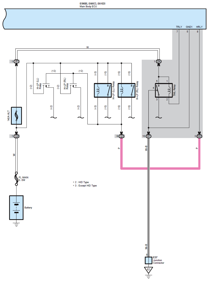
Fig 1: Light Auto Turn Off System - Circuit Diagram (1 Of 3)
G07569607Courtesy of © TOYOTA, LICENSE AGREEMENT TMS1002
Fig 2: Light Auto Turn Off System - Circuit Diagram (2 Of 3)
G07569608Courtesy of © TOYOTA, LICENSE AGREEMENT TMS1002
Fig 3: Light Auto Turn Off System - Circuit Diagram (3 Of 3)
G07569609Courtesy of © TOYOTA, LICENSE AGREEMENT TMS1002