lemon-mirror:
Home >> Lexus >> 2011 >> ES 350 >> Repair and Diagnosis >> Electrical >> Body Electrical >> OEM System Circuits >> Wiper and Washer >> Notes

Wiper and Washer: Notes

Fig 1: Wiper And Washer - Circuit Diagram (1 Of 4)
G07569614Courtesy of © TOYOTA, LICENSE AGREEMENT TMS1002
Fig 2: Wiper And Washer - Circuit Diagram (2 Of 4)
G07569615Courtesy of © TOYOTA, LICENSE AGREEMENT TMS1002
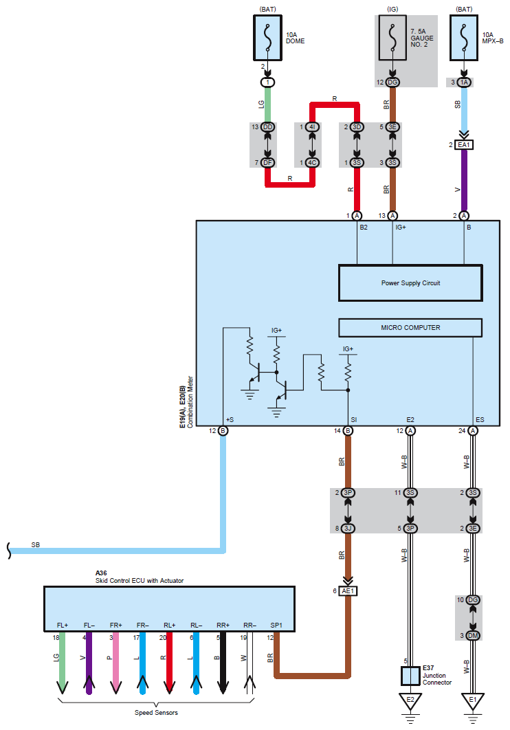
Fig 3: Wiper And Washer - Circuit Diagram (3 Of 4)
G07569616Courtesy of © TOYOTA, LICENSE AGREEMENT TMS1002
Fig 4: Wiper And Washer - Circuit Diagram (4 Of 4)
G07569617Courtesy of © TOYOTA, LICENSE AGREEMENT TMS1002