lemon-mirror:
Home >> Lexus >> 2011 >> GS 450h >> Repair and Diagnosis >> Electrical >> Body Electrical >> OEM System Circuits >> Multiplex Communication System (CAN) >> Notes

Multiplex Communication System (CAN): Notes

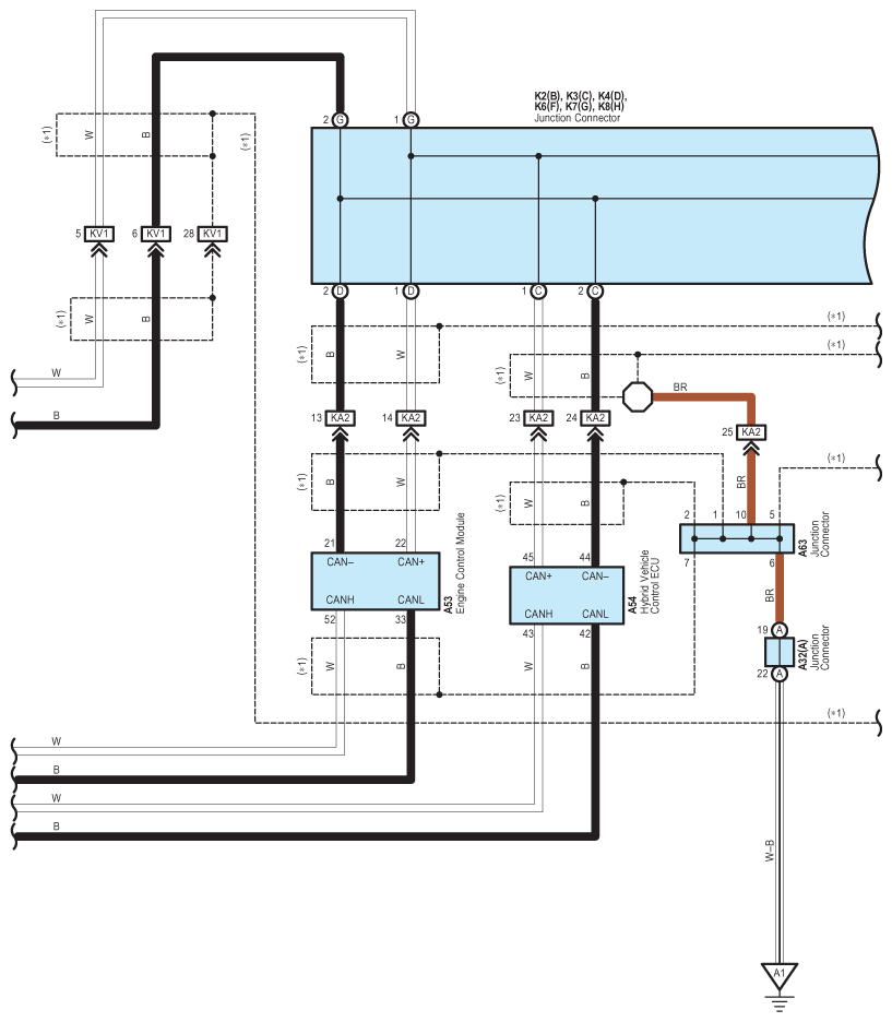
Fig 1: Multiplex Communication System (CAN) - Circuit Diagram (1 Of 8)
G07570063Courtesy of © TOYOTA, LICENSE AGREEMENT TMS1002
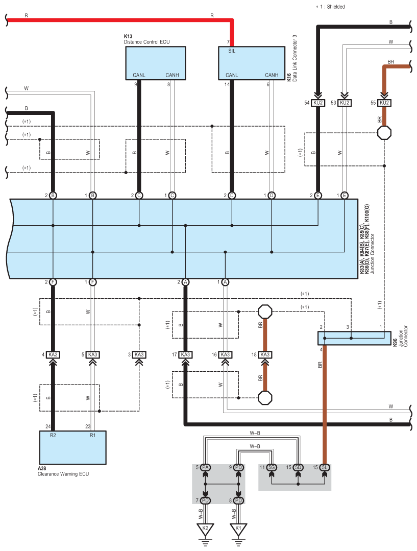
Fig 2: Multiplex Communication System (CAN) - Circuit Diagram (2 Of 8)
G07570064Courtesy of © TOYOTA, LICENSE AGREEMENT TMS1002
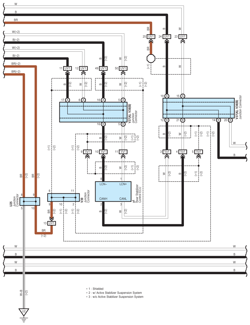
Fig 3: Multiplex Communication System (CAN) - Circuit Diagram (3 Of 8)
G07570065Courtesy of © TOYOTA, LICENSE AGREEMENT TMS1002
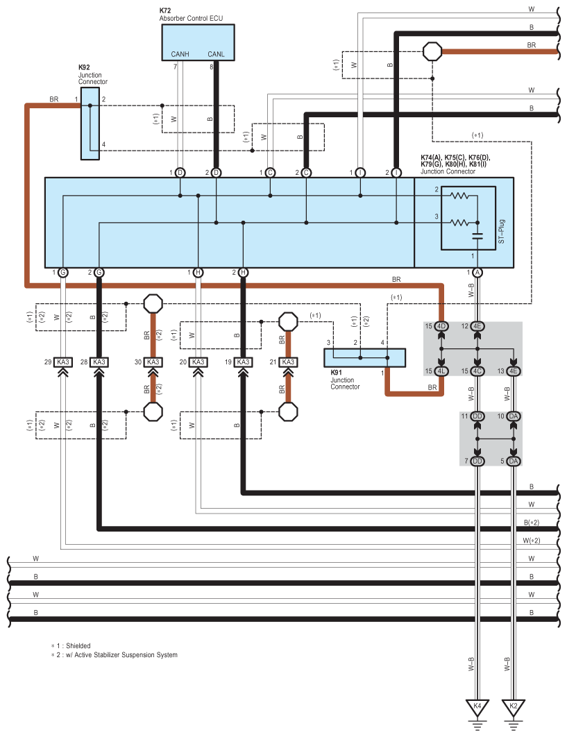
Fig 4: Multiplex Communication System (CAN) - Circuit Diagram (4 Of 8)
G07570066Courtesy of © TOYOTA, LICENSE AGREEMENT TMS1002
Fig 5: Multiplex Communication System (CAN) - Circuit Diagram (5 Of 8)
G07570067Courtesy of © TOYOTA, LICENSE AGREEMENT TMS1002
Fig 6: Multiplex Communication System (CAN) - Circuit Diagram (6 Of 8)
G07570068Courtesy of © TOYOTA, LICENSE AGREEMENT TMS1002
Fig 7: Multiplex Communication System (CAN) - Circuit Diagram (7 Of 8)
G07570069Courtesy of © TOYOTA, LICENSE AGREEMENT TMS1002
Fig 8: Multiplex Communication System (CAN) - Circuit Diagram (8 Of 8)
G07570070Courtesy of © TOYOTA, LICENSE AGREEMENT TMS1002