lemon-mirror:
Home >> Lexus >> 2011 >> GS 450h >> Repair and Diagnosis >> Electrical >> Body Electrical >> OEM System Circuits >> Power Source >> Notes

Power Source: Notes

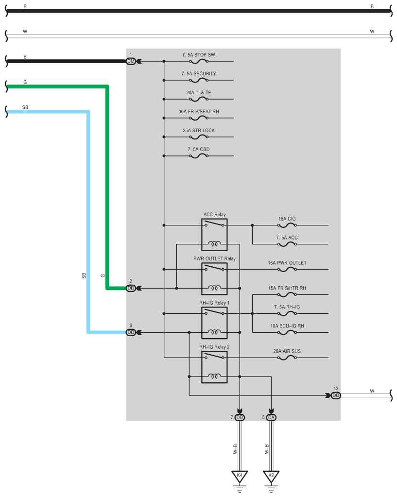
Fig 1: Power Source - Circuit Diagram (1 Of 7)
G07569988Courtesy of © TOYOTA, LICENSE AGREEMENT TMS1002
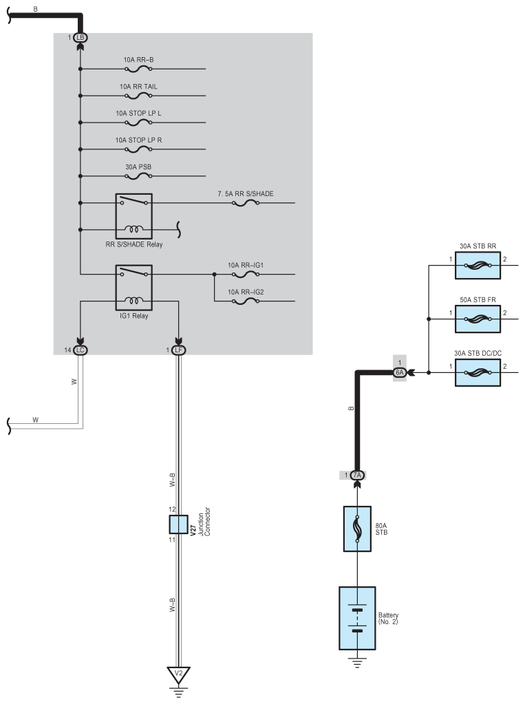
Fig 2: Power Source - Circuit Diagram (2 Of 7)
G07569989Courtesy of © TOYOTA, LICENSE AGREEMENT TMS1002
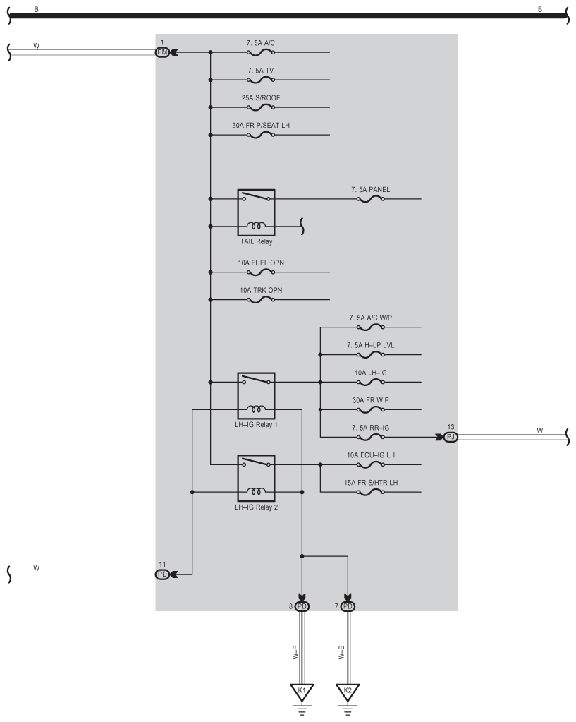
Fig 3: Power Source - Circuit Diagram (3 Of 7)
G07569990Courtesy of © TOYOTA, LICENSE AGREEMENT TMS1002
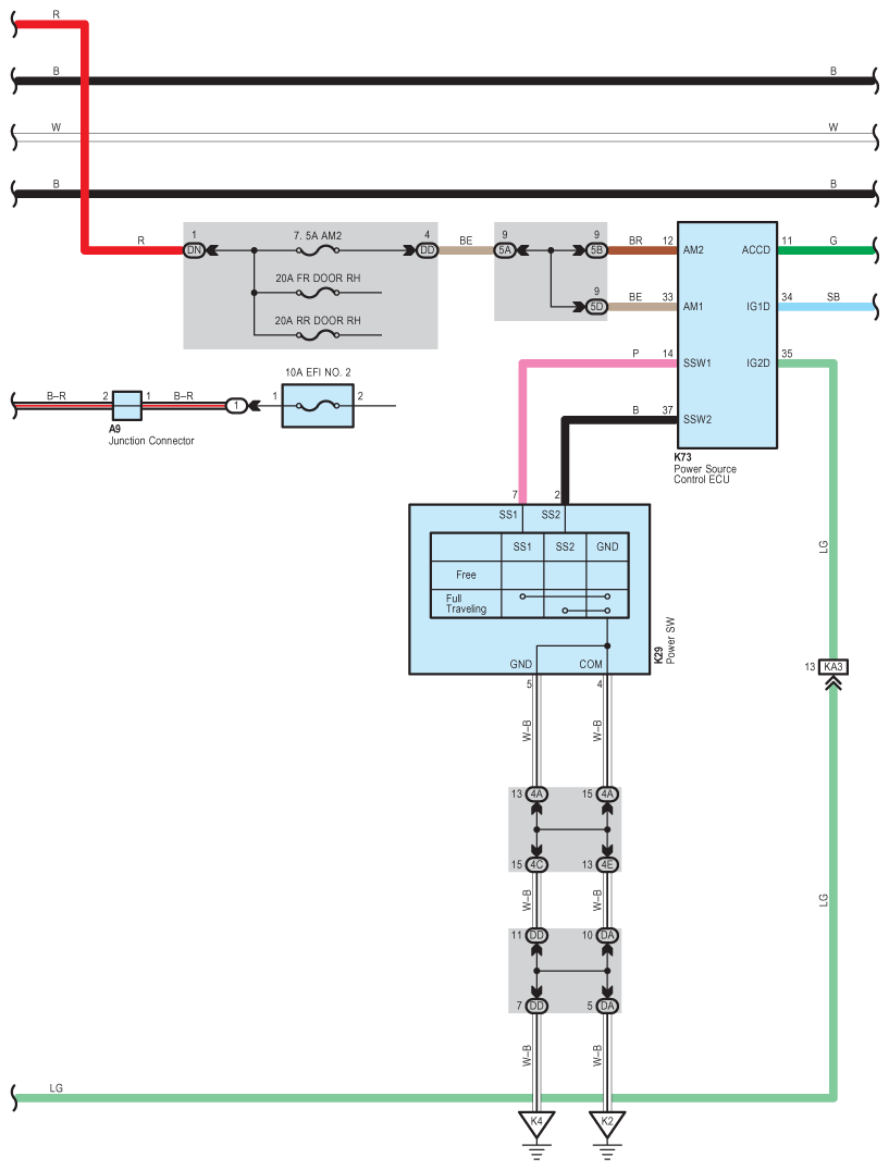
Fig 4: Power Source - Circuit Diagram (4 Of 7)
G07569991Courtesy of © TOYOTA, LICENSE AGREEMENT TMS1002
Fig 5: Power Source - Circuit Diagram (5 Of 7)
G07569992Courtesy of © TOYOTA, LICENSE AGREEMENT TMS1002
Fig 6: Power Source - Circuit Diagram (6 Of 7)
G07569993Courtesy of © TOYOTA, LICENSE AGREEMENT TMS1002
Fig 7: Power Source - Circuit Diagram (7 Of 7)
G07569994Courtesy of © TOYOTA, LICENSE AGREEMENT TMS1002