lemon-mirror:
Home >> Lexus >> 2011 >> GS 460 >> Repair and Diagnosis >> Electrical >> Body Electrical >> OEM Ground Points >> Ground Point >> Notes

Ground Point: Notes

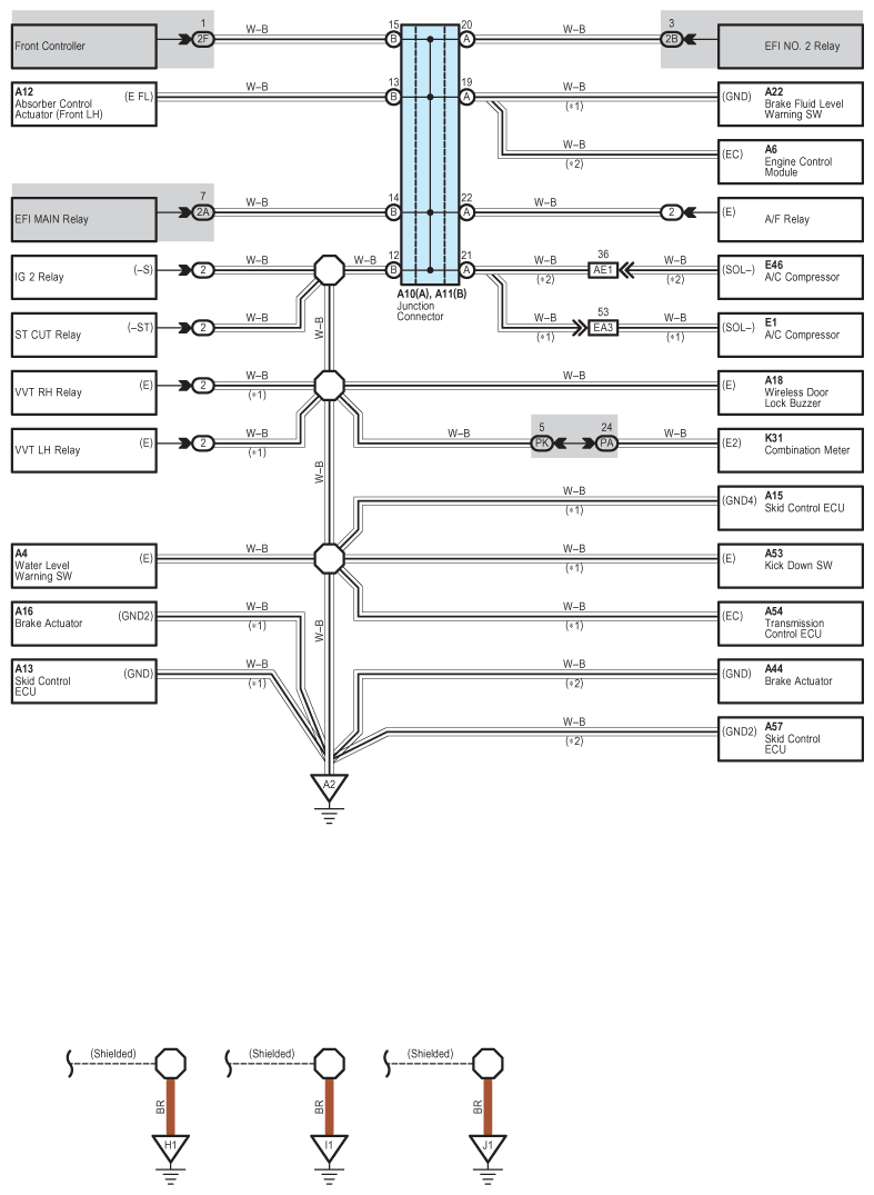
Fig 1: Ground Point - Wiring Diagram (1 Of 11)
G07573446Courtesy of © TOYOTA, LICENSE AGREEMENT TMS1002
Fig 2: Ground Point - Wiring Diagram (2 Of 11)
G07573447Courtesy of © TOYOTA, LICENSE AGREEMENT TMS1002
Fig 3: Ground Point - Wiring Diagram (3 Of 11)
G07573448Courtesy of © TOYOTA, LICENSE AGREEMENT TMS1002
Fig 4: Ground Point - Wiring Diagram (4 Of 11)
G07573449Courtesy of © TOYOTA, LICENSE AGREEMENT TMS1002
Fig 5: Ground Point - Wiring Diagram (5 Of 11)
G07573450Courtesy of © TOYOTA, LICENSE AGREEMENT TMS1002
Fig 6: Ground Point - Wiring Diagram (6 Of 11)
G07573451Courtesy of © TOYOTA, LICENSE AGREEMENT TMS1002
Fig 7: Ground Point - Wiring Diagram (7 Of 11)
G07573452Courtesy of © TOYOTA, LICENSE AGREEMENT TMS1002
Fig 8: Ground Point - Wiring Diagram (8 Of 11)
G07573453Courtesy of © TOYOTA, LICENSE AGREEMENT TMS1002
Fig 9: Ground Point - Wiring Diagram (9 Of 11)
G07573454Courtesy of © TOYOTA, LICENSE AGREEMENT TMS1002
Fig 10: Ground Point - Wiring Diagram (10 Of 11)
G07573455Courtesy of © TOYOTA, LICENSE AGREEMENT TMS1002
Fig 11: Ground Point - Wiring Diagram (11 Of 11)
G07573456Courtesy of © TOYOTA, LICENSE AGREEMENT TMS1002