lemon-mirror:
Home >> Lexus >> 2011 >> GS 460 >> Repair and Diagnosis >> Electrical >> Body Electrical >> OEM System Circuits >> Active Stabilizer Suspension System >> Notes

Active Stabilizer Suspension System: Notes

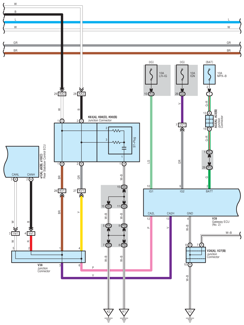
Fig 1: Active Stabilizer Suspension System - Circuit Diagram (1 Of 7)
G07573307Courtesy of © TOYOTA, LICENSE AGREEMENT TMS1002
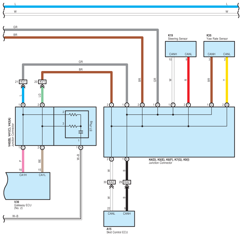
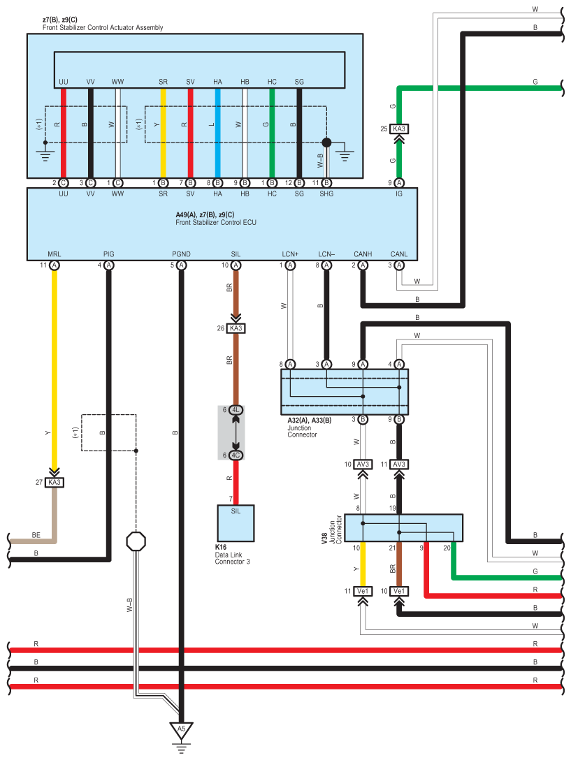
Fig 2: Active Stabilizer Suspension System - Circuit Diagram (2 Of 7)
G07573308Courtesy of © TOYOTA, LICENSE AGREEMENT TMS1002
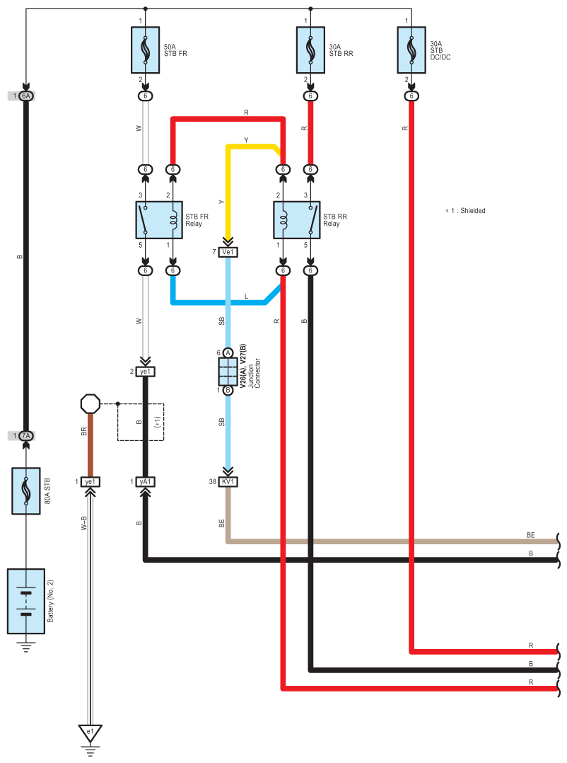
Fig 3: Active Stabilizer Suspension System - Circuit Diagram (3 Of 7)
G07573309Courtesy of © TOYOTA, LICENSE AGREEMENT TMS1002
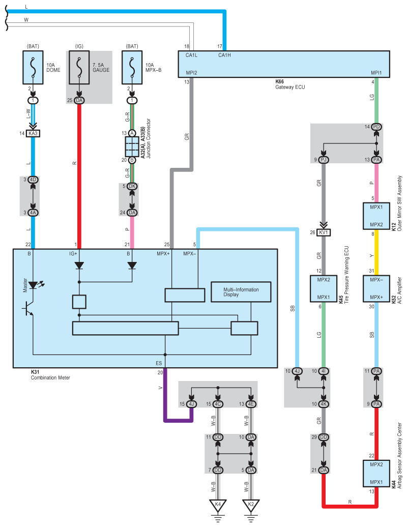
Fig 4: Active Stabilizer Suspension System - Circuit Diagram (4 Of 7)
G07573310Courtesy of © TOYOTA, LICENSE AGREEMENT TMS1002
Fig 5: Active Stabilizer Suspension System - Circuit Diagram (5 Of 7)
G07573311Courtesy of © TOYOTA, LICENSE AGREEMENT TMS1002
Fig 6: Active Stabilizer Suspension System - Circuit Diagram (6 Of 7)
G07573312Courtesy of © TOYOTA, LICENSE AGREEMENT TMS1002
Fig 7: Active Stabilizer Suspension System - Circuit Diagram (7 Of 7)
G07573313Courtesy of © TOYOTA, LICENSE AGREEMENT TMS1002