lemon-mirror:
Home >> Lexus >> 2011 >> GS 460 >> Repair and Diagnosis >> Electrical >> Body Electrical >> OEM System Circuits >> Cooling Fan >> Notes

Cooling Fan: Notes

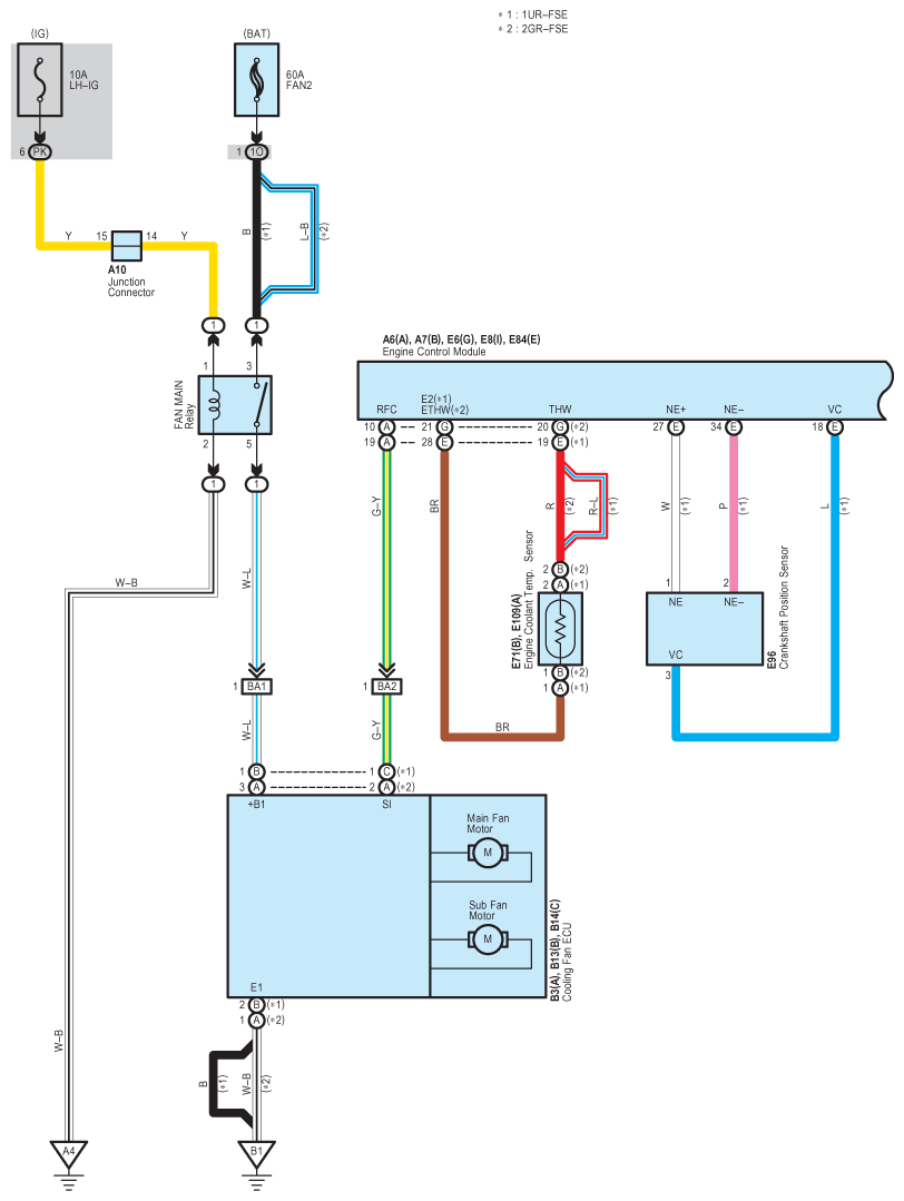
Fig 1: Cooling Fan - Circuit Diagram (1 Of 4)
G07573432Courtesy of © TOYOTA, LICENSE AGREEMENT TMS1002
Fig 2: Cooling Fan - Circuit Diagram (2 Of 4)
G07573433Courtesy of © TOYOTA, LICENSE AGREEMENT TMS1002
Fig 3: Cooling Fan - Circuit Diagram (3 Of 4)
G07573434Courtesy of © TOYOTA, LICENSE AGREEMENT TMS1002
Fig 4: Cooling Fan - Circuit Diagram (4 Of 4)
G07573435Courtesy of © TOYOTA, LICENSE AGREEMENT TMS1002