lemon-mirror:
Home >> Lexus >> 2011 >> GS 460 >> Repair and Diagnosis >> Electrical >> Body Electrical >> OEM System Circuits >> Engine Control (1UR-FSE) >> Notes

Engine Control (1UR-FSE): Notes

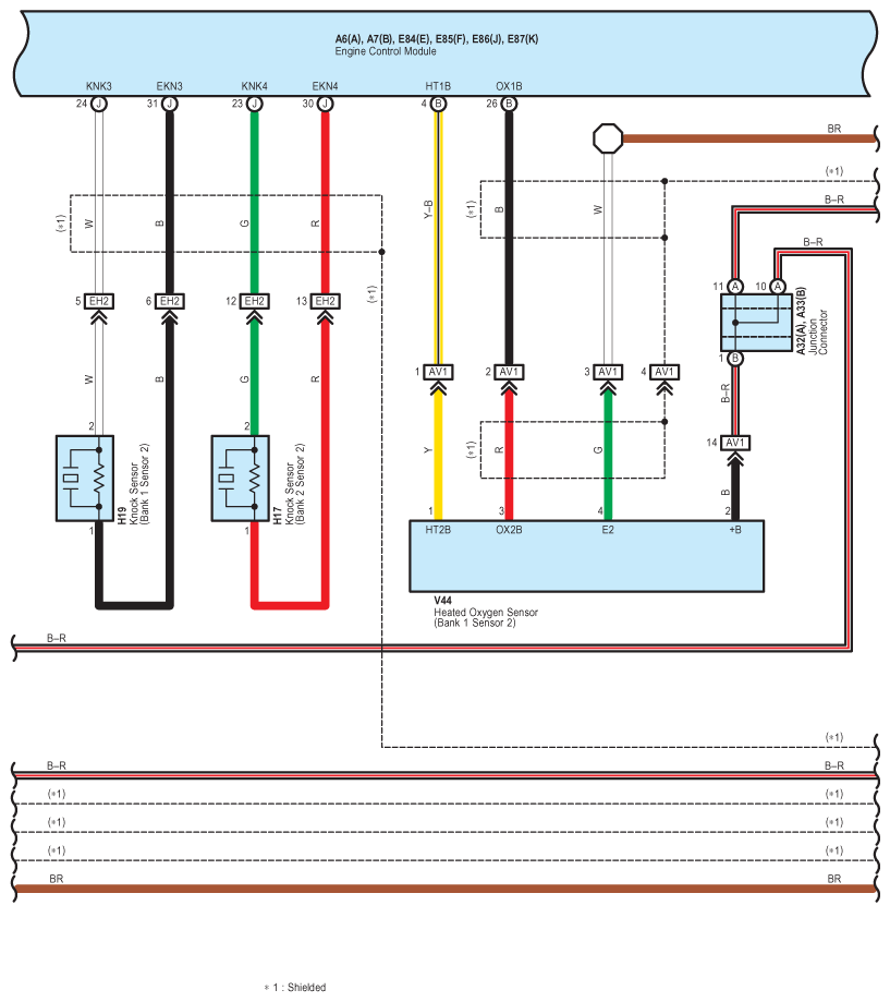
Fig 1: Engine Control (1UR-FSE) - Circuit Diagram (1 Of 28)
G07572990Courtesy of © TOYOTA, LICENSE AGREEMENT TMS1002
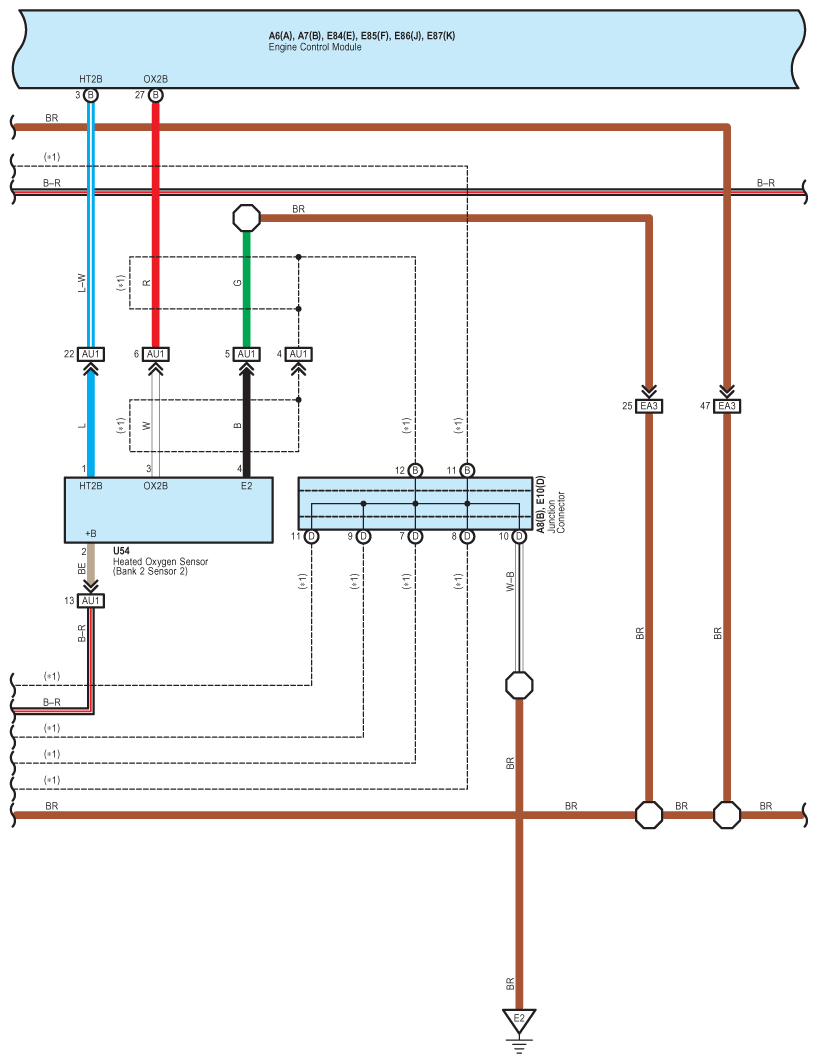
Fig 2: Engine Control (1UR-FSE) - Circuit Diagram (2 Of 28)
G07572991Courtesy of © TOYOTA, LICENSE AGREEMENT TMS1002
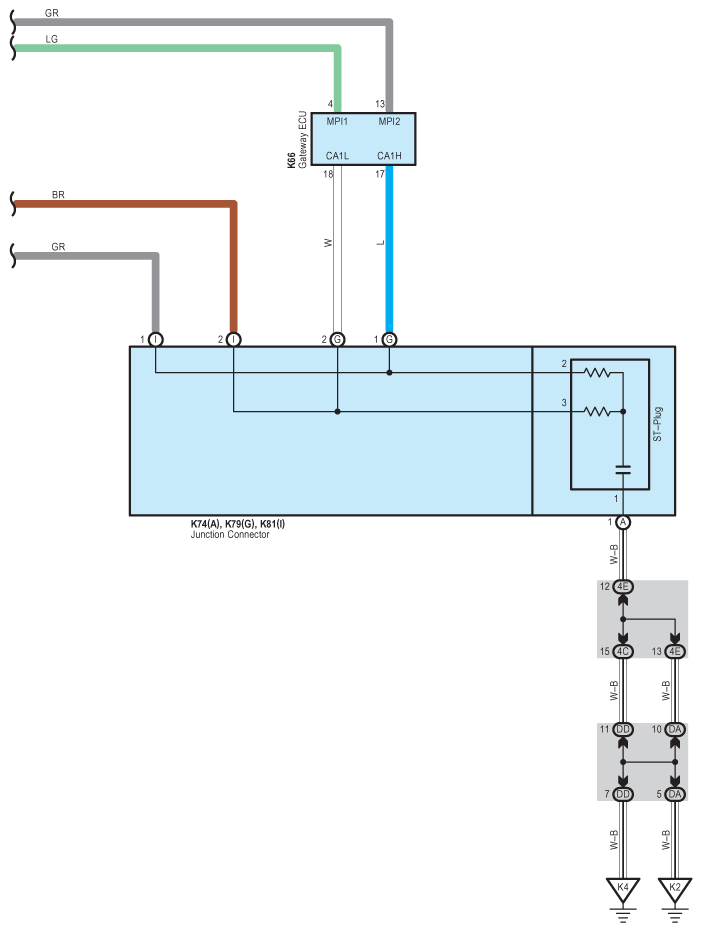
Fig 3: Engine Control (1UR-FSE) - Circuit Diagram (3 Of 28)
G07572992Courtesy of © TOYOTA, LICENSE AGREEMENT TMS1002
Fig 4: Engine Control (1UR-FSE) - Circuit Diagram (4 Of 28)
G07572993Courtesy of © TOYOTA, LICENSE AGREEMENT TMS1002
Fig 5: Engine Control (1UR-FSE) - Circuit Diagram (5 Of 28)
G07572994Courtesy of © TOYOTA, LICENSE AGREEMENT TMS1002
Fig 6: Engine Control (1UR-FSE) - Circuit Diagram (6 Of 28)
G07572995Courtesy of © TOYOTA, LICENSE AGREEMENT TMS1002
Fig 7: Engine Control (1UR-FSE) - Circuit Diagram (7 Of 28)
G07572996Courtesy of © TOYOTA, LICENSE AGREEMENT TMS1002
Fig 8: Engine Control (1UR-FSE) - Circuit Diagram (8 Of 28)
G07572997Courtesy of © TOYOTA, LICENSE AGREEMENT TMS1002
Fig 9: Engine Control (1UR-FSE) - Circuit Diagram (9 Of 28)
G07572998Courtesy of © TOYOTA, LICENSE AGREEMENT TMS1002
Fig 10: Engine Control (1UR-FSE) - Circuit Diagram (10 Of 28)
G07572999Courtesy of © TOYOTA, LICENSE AGREEMENT TMS1002
Fig 11: Engine Control (1UR-FSE) - Circuit Diagram (11 Of 28)
G07573000Courtesy of © TOYOTA, LICENSE AGREEMENT TMS1002
Fig 12: Engine Control (1UR-FSE) - Circuit Diagram (12 Of 28)
G07573001Courtesy of © TOYOTA, LICENSE AGREEMENT TMS1002
Fig 13: Engine Control (1UR-FSE) - Circuit Diagram (13 Of 28)
G07573002Courtesy of © TOYOTA, LICENSE AGREEMENT TMS1002
Fig 14: Engine Control (1UR-FSE) - Circuit Diagram (14 Of 28)
G07573003Courtesy of © TOYOTA, LICENSE AGREEMENT TMS1002
Fig 15: Engine Control (1UR-FSE) - Circuit Diagram (15 Of 28)
G07573004Courtesy of © TOYOTA, LICENSE AGREEMENT TMS1002
Fig 16: Engine Control (1UR-FSE) - Circuit Diagram (16 Of 28)
G07573005Courtesy of © TOYOTA, LICENSE AGREEMENT TMS1002
Fig 17: Engine Control (1UR-FSE) - Circuit Diagram (17 Of 28)
G07573006Courtesy of © TOYOTA, LICENSE AGREEMENT TMS1002
Fig 18: Engine Control (1UR-FSE) - Circuit Diagram (18 Of 28)
G07573007Courtesy of © TOYOTA, LICENSE AGREEMENT TMS1002
Fig 19: Engine Control (1UR-FSE) - Circuit Diagram (19 Of 28)
G07573008Courtesy of © TOYOTA, LICENSE AGREEMENT TMS1002
Fig 20: Engine Control (1UR-FSE) - Circuit Diagram (20 Of 28)
G07573009Courtesy of © TOYOTA, LICENSE AGREEMENT TMS1002
Fig 21: Engine Control (1UR-FSE) - Circuit Diagram (21 Of 28)
G07573010Courtesy of © TOYOTA, LICENSE AGREEMENT TMS1002
Fig 22: Engine Control (1UR-FSE) - Circuit Diagram (22 Of 28)
G07573011Courtesy of © TOYOTA, LICENSE AGREEMENT TMS1002
Fig 23: Engine Control (1UR-FSE) - Circuit Diagram (23 Of 28)
G07573012Courtesy of © TOYOTA, LICENSE AGREEMENT TMS1002
Fig 24: Engine Control (1UR-FSE) - Circuit Diagram (24 Of 28)
G07573013Courtesy of © TOYOTA, LICENSE AGREEMENT TMS1002
Fig 25: Engine Control (1UR-FSE) - Circuit Diagram (25 Of 28)
G07573014Courtesy of © TOYOTA, LICENSE AGREEMENT TMS1002
Fig 26: Engine Control (1UR-FSE) - Circuit Diagram (26 Of 28)
G07573015Courtesy of © TOYOTA, LICENSE AGREEMENT TMS1002
Fig 27: Engine Control (1UR-FSE) - Circuit Diagram (27 Of 28)
G07573016Courtesy of © TOYOTA, LICENSE AGREEMENT TMS1002
Fig 28: Engine Control (1UR-FSE) - Circuit Diagram (28 Of 28)
G07573017Courtesy of © TOYOTA, LICENSE AGREEMENT TMS1002