lemon-mirror:
Home >> Lexus >> 2011 >> GS 460 >> Repair and Diagnosis >> Electrical >> Body Electrical >> OEM System Circuits >> Engine Control (2GR-FSE) >> Notes

Engine Control (2GR-FSE): Notes

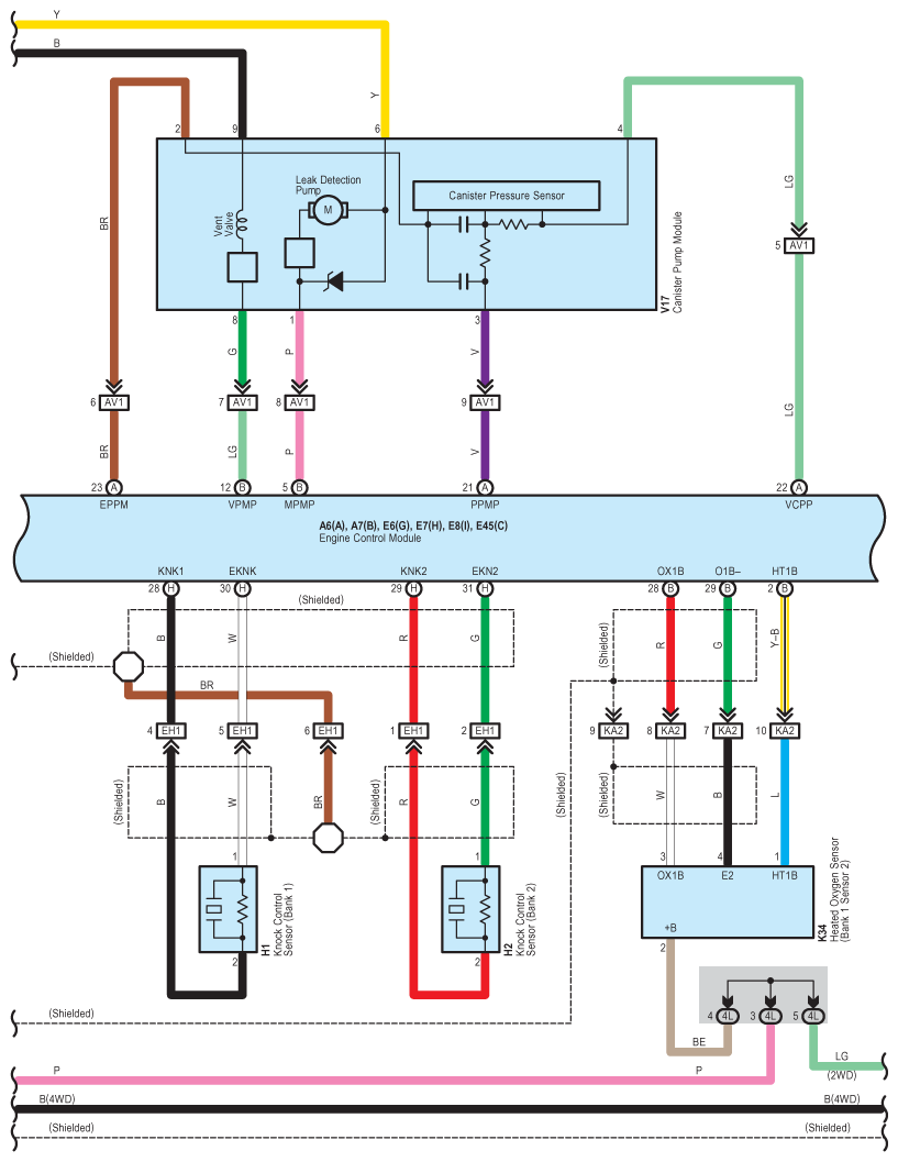
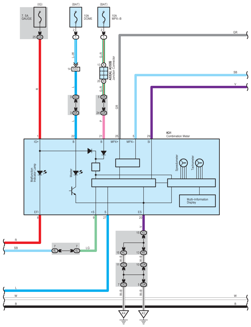
Fig 1: Engine Control (2GR-FSE) - Circuit Diagram (1 Of 15)
G07573018Courtesy of © TOYOTA, LICENSE AGREEMENT TMS1002
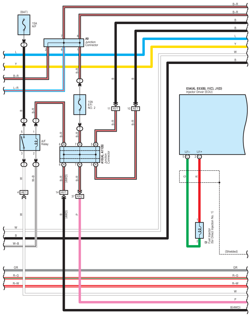
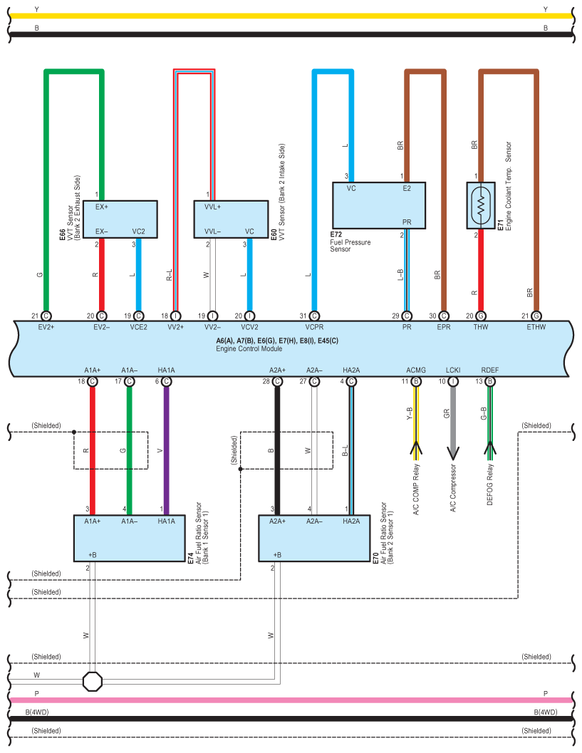
Fig 2: Engine Control (2GR-FSE) - Circuit Diagram (2 Of 15)
G07573019Courtesy of © TOYOTA, LICENSE AGREEMENT TMS1002
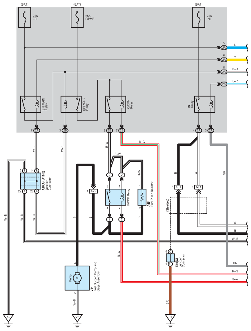
Fig 3: Engine Control (2GR-FSE) - Circuit Diagram (3 Of 15)
G07573020Courtesy of © TOYOTA, LICENSE AGREEMENT TMS1002
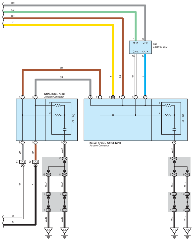
Fig 4: Engine Control (2GR-FSE) - Circuit Diagram (4 Of 15)
G07573021Courtesy of © TOYOTA, LICENSE AGREEMENT TMS1002
Fig 5: Engine Control (2GR-FSE) - Circuit Diagram (5 Of 15)
G07573022Courtesy of © TOYOTA, LICENSE AGREEMENT TMS1002
Fig 6: Engine Control (2GR-FSE) - Circuit Diagram (6 Of 15)
G07573023Courtesy of © TOYOTA, LICENSE AGREEMENT TMS1002
Fig 7: Engine Control (2GR-FSE) - Circuit Diagram (7 Of 15)
G07573024Courtesy of © TOYOTA, LICENSE AGREEMENT TMS1002
Fig 8: Engine Control (2GR-FSE) - Circuit Diagram (8 Of 15)
G07573025Courtesy of © TOYOTA, LICENSE AGREEMENT TMS1002
Fig 9: Engine Control (2GR-FSE) - Circuit Diagram (9 Of 15)
G07573026Courtesy of © TOYOTA, LICENSE AGREEMENT TMS1002
Fig 10: Engine Control (2GR-FSE) - Circuit Diagram (10 Of 15)
G07573027Courtesy of © TOYOTA, LICENSE AGREEMENT TMS1002
Fig 11: Engine Control (2GR-FSE) - Circuit Diagram (11 Of 15)
G07573028Courtesy of © TOYOTA, LICENSE AGREEMENT TMS1002
Fig 12: Engine Control (2GR-FSE) - Circuit Diagram (12 Of 15)
G07573029Courtesy of © TOYOTA, LICENSE AGREEMENT TMS1002
Fig 13: Engine Control (2GR-FSE) - Circuit Diagram (13 Of 15)
G07573030Courtesy of © TOYOTA, LICENSE AGREEMENT TMS1002
Fig 14: Engine Control (2GR-FSE) - Circuit Diagram (14 Of 15)
G07573031Courtesy of © TOYOTA, LICENSE AGREEMENT TMS1002
Fig 15: Engine Control (2GR-FSE) - Circuit Diagram (15 Of 15)
G07573032Courtesy of © TOYOTA, LICENSE AGREEMENT TMS1002