lemon-mirror:
Home >> Lexus >> 2011 >> GS 460 >> Repair and Diagnosis >> Electrical >> Body Electrical >> OEM System Circuits >> Headlight Beam Level Control >> Notes

Headlight Beam Level Control: Notes

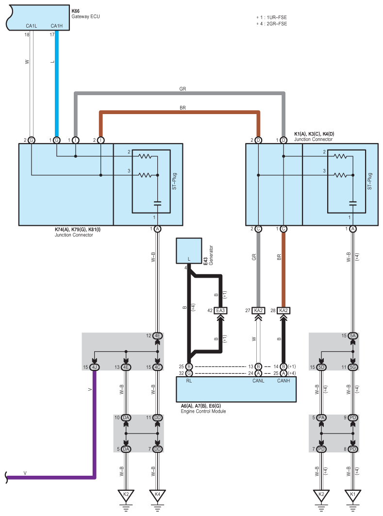
Fig 1: Headlight Beam Level Control - Circuit Diagram (1 Of 5)
G07573118Courtesy of © TOYOTA, LICENSE AGREEMENT TMS1002
Fig 2: Headlight Beam Level Control - Circuit Diagram (2 Of 5)
G07573119Courtesy of © TOYOTA, LICENSE AGREEMENT TMS1002
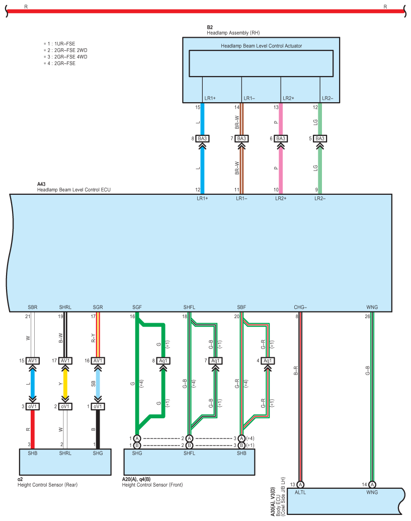
Fig 3: Headlight Beam Level Control - Circuit Diagram (3 Of 5)
G07573120Courtesy of © TOYOTA, LICENSE AGREEMENT TMS1002
Fig 4: Headlight Beam Level Control - Circuit Diagram (4 Of 5)
G07573121Courtesy of © TOYOTA, LICENSE AGREEMENT TMS1002
Fig 5: Headlight Beam Level Control - Circuit Diagram (5 Of 5)
G07573122Courtesy of © TOYOTA, LICENSE AGREEMENT TMS1002