lemon-mirror:
Home >> Lexus >> 2011 >> GS 460 >> Repair and Diagnosis >> Electrical >> Body Electrical >> OEM System Circuits >> Power Window >> Notes

Power Window: Notes

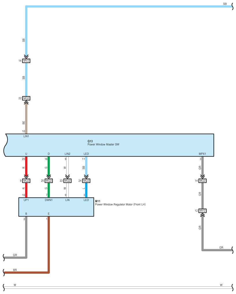
Fig 1: Power Window - Circuit Diagram (1 Of 9)
G07573134Courtesy of © TOYOTA, LICENSE AGREEMENT TMS1002
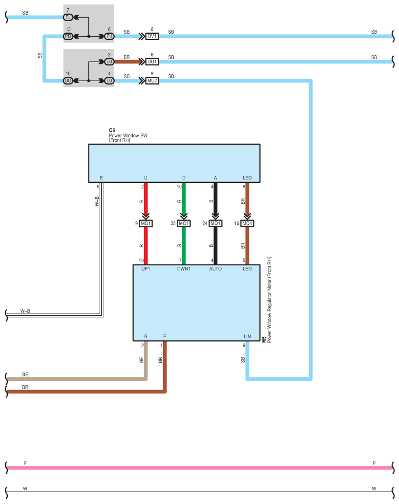
Fig 2: Power Window - Circuit Diagram (2 Of 9)
G07573135Courtesy of © TOYOTA, LICENSE AGREEMENT TMS1002
Fig 3: Power Window - Circuit Diagram (3 Of 9)
G07573136Courtesy of © TOYOTA, LICENSE AGREEMENT TMS1002
Fig 4: Power Window - Circuit Diagram (4 Of 9)
G07573137Courtesy of © TOYOTA, LICENSE AGREEMENT TMS1002
Fig 5: Power Window - Circuit Diagram (5 Of 9)
G07573138Courtesy of © TOYOTA, LICENSE AGREEMENT TMS1002
Fig 6: Power Window - Circuit Diagram (6 Of 9)
G07573139Courtesy of © TOYOTA, LICENSE AGREEMENT TMS1002
Fig 7: Power Window - Circuit Diagram (7 Of 9)
G07573140Courtesy of © TOYOTA, LICENSE AGREEMENT TMS1002
Fig 8: Power Window - Circuit Diagram (8 Of 9)
G07573141Courtesy of © TOYOTA, LICENSE AGREEMENT TMS1002
Fig 9: Power Window - Circuit Diagram (9 Of 9)
G07573142Courtesy of © TOYOTA, LICENSE AGREEMENT TMS1002