lemon-mirror:
Home >> Lexus >> 2011 >> GS 460 >> Repair and Diagnosis >> Electrical >> Body Electrical >> OEM System Circuits >> Remote Control Mirror >> Notes

Remote Control Mirror: Notes

Fig 1: Remote Control Mirror - Circuit Diagram (1 Of 6)
G07573381Courtesy of © TOYOTA, LICENSE AGREEMENT TMS1002
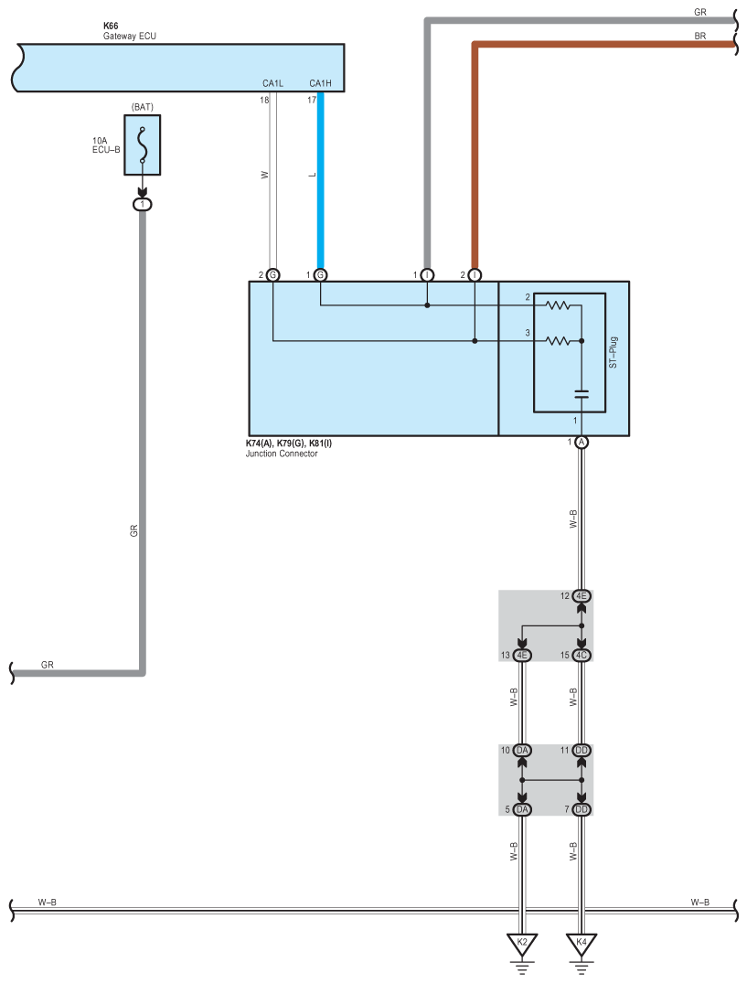
Fig 2: Remote Control Mirror - Circuit Diagram (2 Of 6)
G07573382Courtesy of © TOYOTA, LICENSE AGREEMENT TMS1002
Fig 3: Remote Control Mirror - Circuit Diagram (3 Of 6)
G07573383Courtesy of © TOYOTA, LICENSE AGREEMENT TMS1002
Fig 4: Remote Control Mirror - Circuit Diagram (4 Of 6)
G07573384Courtesy of © TOYOTA, LICENSE AGREEMENT TMS1002
Fig 5: Remote Control Mirror - Circuit Diagram (5 Of 6)
G07573385Courtesy of © TOYOTA, LICENSE AGREEMENT TMS1002
Fig 6: Remote Control Mirror - Circuit Diagram (6 Of 6)
G07573386Courtesy of © TOYOTA, LICENSE AGREEMENT TMS1002