lemon-mirror:
Home >> Lexus >> 2011 >> GS 460 >> Repair and Diagnosis >> Electrical >> Body Electrical >> OEM System Circuits >> Seat Heater >> Notes

Seat Heater: Notes

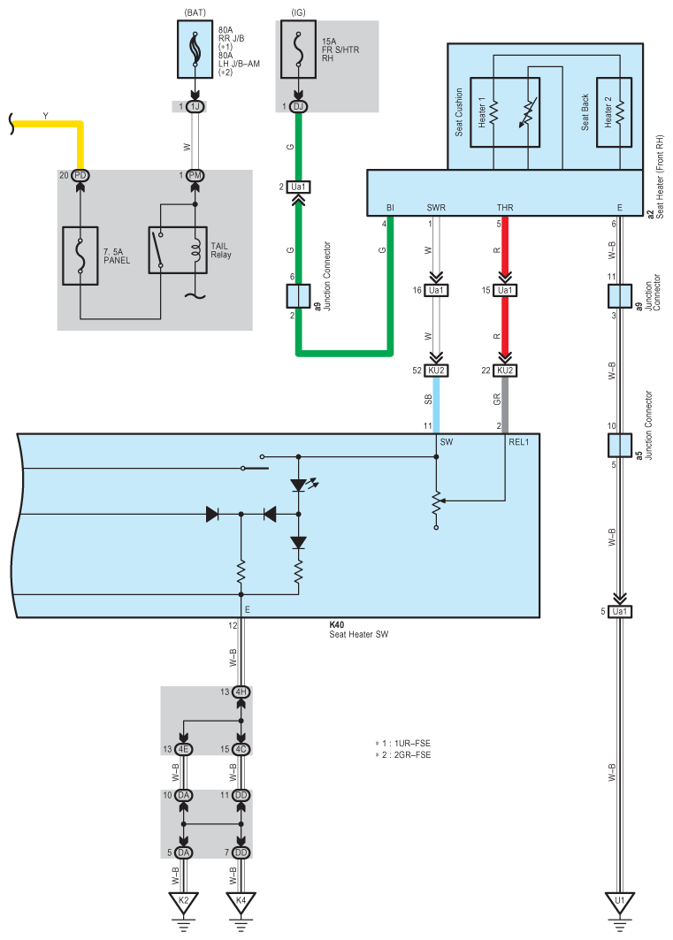
Fig 1: Seat Heater - Circuit Diagram (1 Of 2)
G07573374Courtesy of © TOYOTA, LICENSE AGREEMENT TMS1002
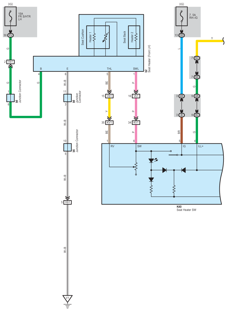
Fig 2: Seat Heater - Circuit Diagram (2 Of 2)
G07573375Courtesy of © TOYOTA, LICENSE AGREEMENT TMS1002