lemon-mirror:
Home >> Lexus >> 2011 >> GS 460 >> Repair and Diagnosis >> Electrical >> Body Electrical >> OEM System Circuits >> Shift Lock >> Notes

Shift Lock: Notes

Fig 1: Shift Lock - Circuit Diagram (1 Of 3)
G07573336Courtesy of © TOYOTA, LICENSE AGREEMENT TMS1002
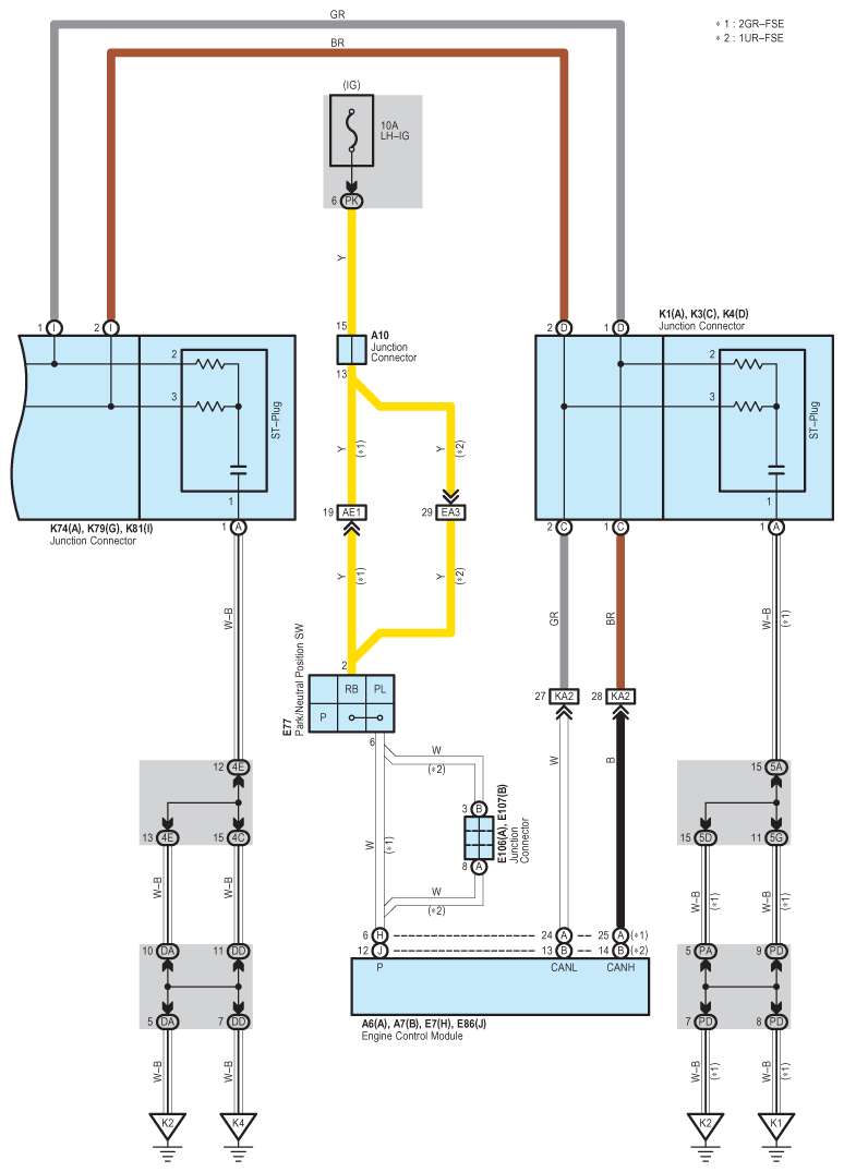
Fig 2: Shift Lock - Circuit Diagram (2 Of 3)
G07573337Courtesy of © TOYOTA, LICENSE AGREEMENT TMS1002
Fig 3: Shift Lock - Circuit Diagram (3 Of 3)
G07573338Courtesy of © TOYOTA, LICENSE AGREEMENT TMS1002