lemon-mirror:
Home >> Lexus >> 2011 >> GX 460 >> Repair and Diagnosis >> Electrical >> Body Electrical >> OEM System Circuits >> Condenser Fan >> Air Conditioning

Air Conditioning

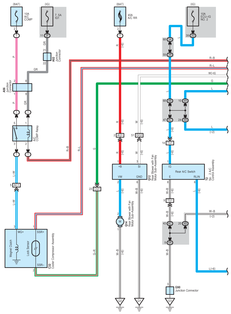
Fig 1: Air Conditioning - Circuit Diagram (1 Of 10)
G07580853Courtesy of © TOYOTA, LICENSE AGREEMENT TMS1002
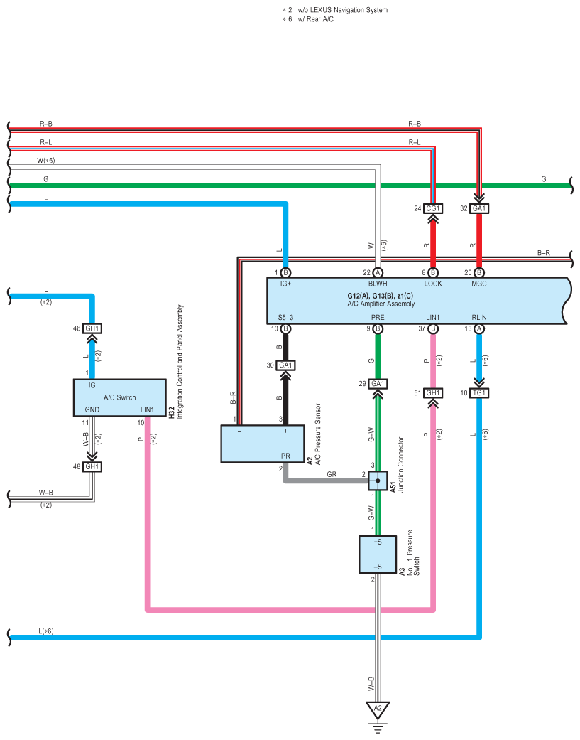
Fig 2: Air Conditioning - Circuit Diagram (2 Of 10)
G07580854Courtesy of © TOYOTA, LICENSE AGREEMENT TMS1002
Fig 3: Air Conditioning - Circuit Diagram (3 Of 10)
G07580855Courtesy of © TOYOTA, LICENSE AGREEMENT TMS1002
Fig 4: Air Conditioning - Circuit Diagram (4 Of 10)
G07580856Courtesy of © TOYOTA, LICENSE AGREEMENT TMS1002
Fig 5: Air Conditioning - Circuit Diagram (5 Of 10)
G07580857Courtesy of © TOYOTA, LICENSE AGREEMENT TMS1002
Fig 6: Air Conditioning - Circuit Diagram (6 Of 10)
G07580858Courtesy of © TOYOTA, LICENSE AGREEMENT TMS1002
Fig 7: Air Conditioning - Circuit Diagram (7 Of 10)
G07580859Courtesy of © TOYOTA, LICENSE AGREEMENT TMS1002
Fig 8: Air Conditioning - Circuit Diagram (8 Of 10)
G07580860Courtesy of © TOYOTA, LICENSE AGREEMENT TMS1002
Fig 9: Air Conditioning - Circuit Diagram (9 Of 10)
G07580861Courtesy of © TOYOTA, LICENSE AGREEMENT TMS1002
Fig 10: Air Conditioning - Circuit Diagram (10 Of 10)
G07580862Courtesy of © TOYOTA, LICENSE AGREEMENT TMS1002