lemon-mirror:
Home >> Lexus >> 2011 >> GX 460 >> Repair and Diagnosis >> Electrical >> Body Electrical >> OEM System Circuits >> Door Lock Control >> Notes

Door Lock Control: Notes

Fig 1: Door Lock Control - Circuit Diagram (1 Of 10)
G07580672Courtesy of © TOYOTA, LICENSE AGREEMENT TMS1002
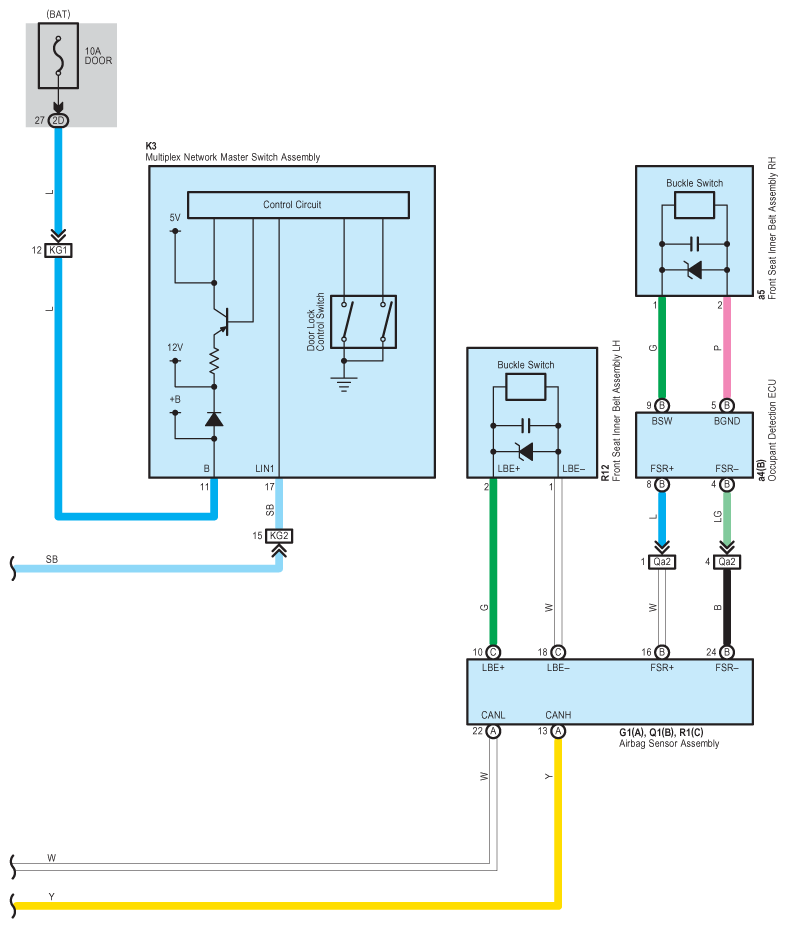
Fig 2: Door Lock Control - Circuit Diagram (2 Of 10)
G07580673Courtesy of © TOYOTA, LICENSE AGREEMENT TMS1002
Fig 3: Door Lock Control - Circuit Diagram (3 Of 10)
G07580674Courtesy of © TOYOTA, LICENSE AGREEMENT TMS1002
Fig 4: Door Lock Control - Circuit Diagram (4 Of 10)
G07580675Courtesy of © TOYOTA, LICENSE AGREEMENT TMS1002
Fig 5: Door Lock Control - Circuit Diagram (5 Of 10)
G07580676Courtesy of © TOYOTA, LICENSE AGREEMENT TMS1002
Fig 6: Door Lock Control - Circuit Diagram (6 Of 10)
G07580677Courtesy of © TOYOTA, LICENSE AGREEMENT TMS1002
Fig 7: Door Lock Control - Circuit Diagram (7 Of 10)
G07580678Courtesy of © TOYOTA, LICENSE AGREEMENT TMS1002
Fig 8: Door Lock Control - Circuit Diagram (8 Of 10)
G07580679Courtesy of © TOYOTA, LICENSE AGREEMENT TMS1002
Fig 9: Door Lock Control - Circuit Diagram (9 Of 10)
G07580680Courtesy of © TOYOTA, LICENSE AGREEMENT TMS1002
Fig 10: Door Lock Control - Circuit Diagram (10 Of 10)
G07580681Courtesy of © TOYOTA, LICENSE AGREEMENT TMS1002