lemon-mirror:
Home >> Lexus >> 2011 >> GX 460 >> Repair and Diagnosis >> Electrical >> Body Electrical >> OEM System Circuits >> Glass Hatch Opener >> Notes

Glass Hatch Opener: Notes

Fig 1: Glass Hatch Opener - Circuit Diagram (1 Of 5)
G07580699Courtesy of © TOYOTA, LICENSE AGREEMENT TMS1002
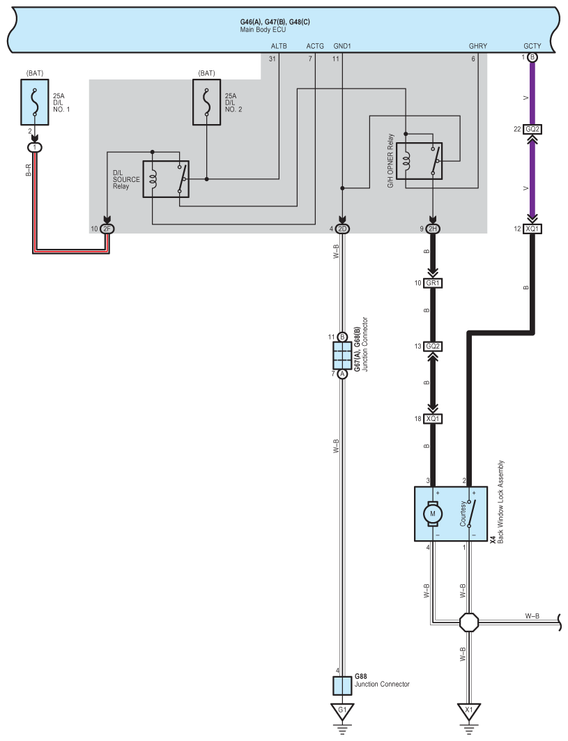
Fig 2: Glass Hatch Opener - Circuit Diagram (2 Of 5)
G07580700Courtesy of © TOYOTA, LICENSE AGREEMENT TMS1002
Fig 3: Glass Hatch Opener - Circuit Diagram (3 Of 5)
G07580701Courtesy of © TOYOTA, LICENSE AGREEMENT TMS1002
Fig 4: Glass Hatch Opener - Circuit Diagram (4 Of 5)
G07580702Courtesy of © TOYOTA, LICENSE AGREEMENT TMS1002
Fig 5: Glass Hatch Opener - Circuit Diagram (5 Of 5)
G07580703Courtesy of © TOYOTA, LICENSE AGREEMENT TMS1002