lemon-mirror:
Home >> Lexus >> 2011 >> GX 460 >> Repair and Diagnosis >> Electrical >> Body Electrical >> OEM System Circuits >> Trailer Towing >> Notes

Trailer Towing: Notes

Fig 1: Trailer Towing - Circuit Diagram (1 Of 5)
G07580743Courtesy of © TOYOTA, LICENSE AGREEMENT TMS1002
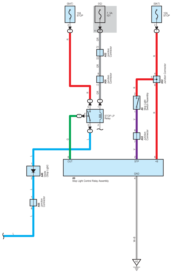
Fig 2: Trailer Towing - Circuit Diagram (2 Of 5)
G07580744Courtesy of © TOYOTA, LICENSE AGREEMENT TMS1002
Fig 3: Trailer Towing - Circuit Diagram (3 Of 5)
G07580745Courtesy of © TOYOTA, LICENSE AGREEMENT TMS1002
Fig 4: Trailer Towing - Circuit Diagram (4 Of 5)
G07580746Courtesy of © TOYOTA, LICENSE AGREEMENT TMS1002
Fig 5: Trailer Towing - Circuit Diagram (5 Of 5)
G07580747Courtesy of © TOYOTA, LICENSE AGREEMENT TMS1002