lemon-mirror:
Home >> Lexus >> 2011 >> HS 250h >> Repair and Diagnosis >> Electrical >> Body Electrical >> OEM System Circuits >> Combination Meter and Headup Display >> Notes

Combination Meter and Headup Display: Notes

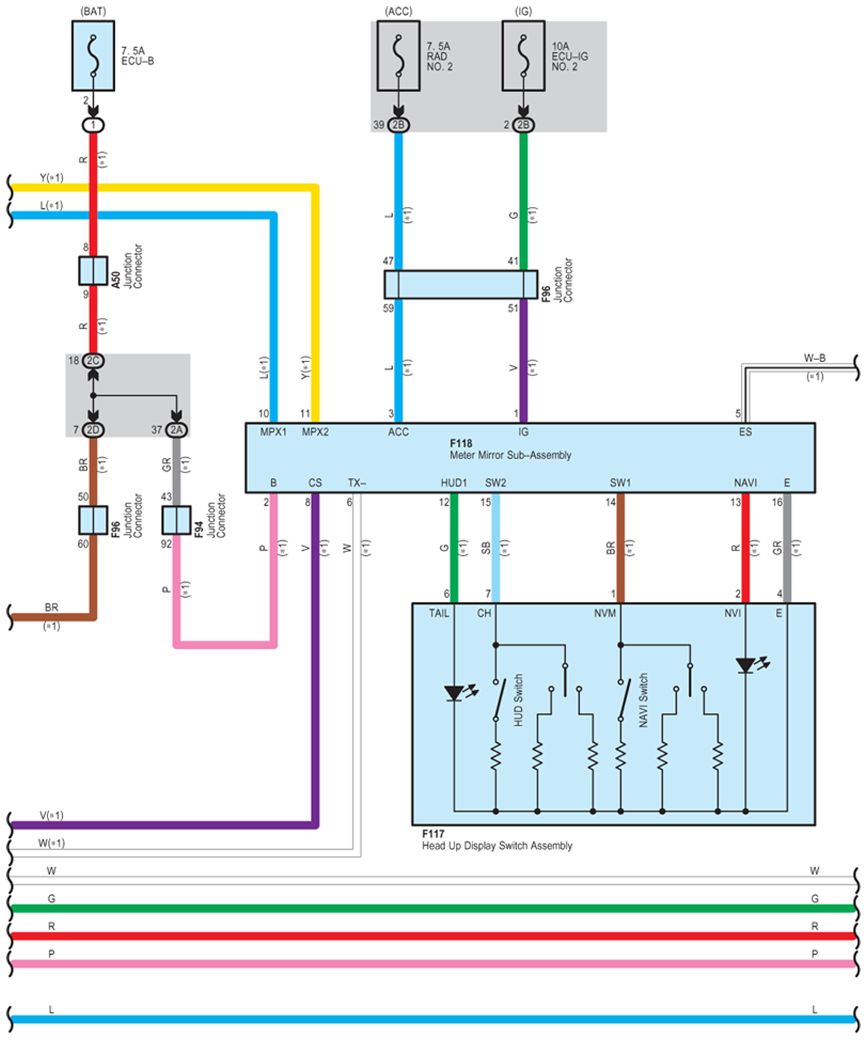
Fig 1: Combination Meter And Headup Display - Circuit Diagram (1 Of 12)
G07578485Courtesy of © TOYOTA, LICENSE AGREEMENT TMS1002
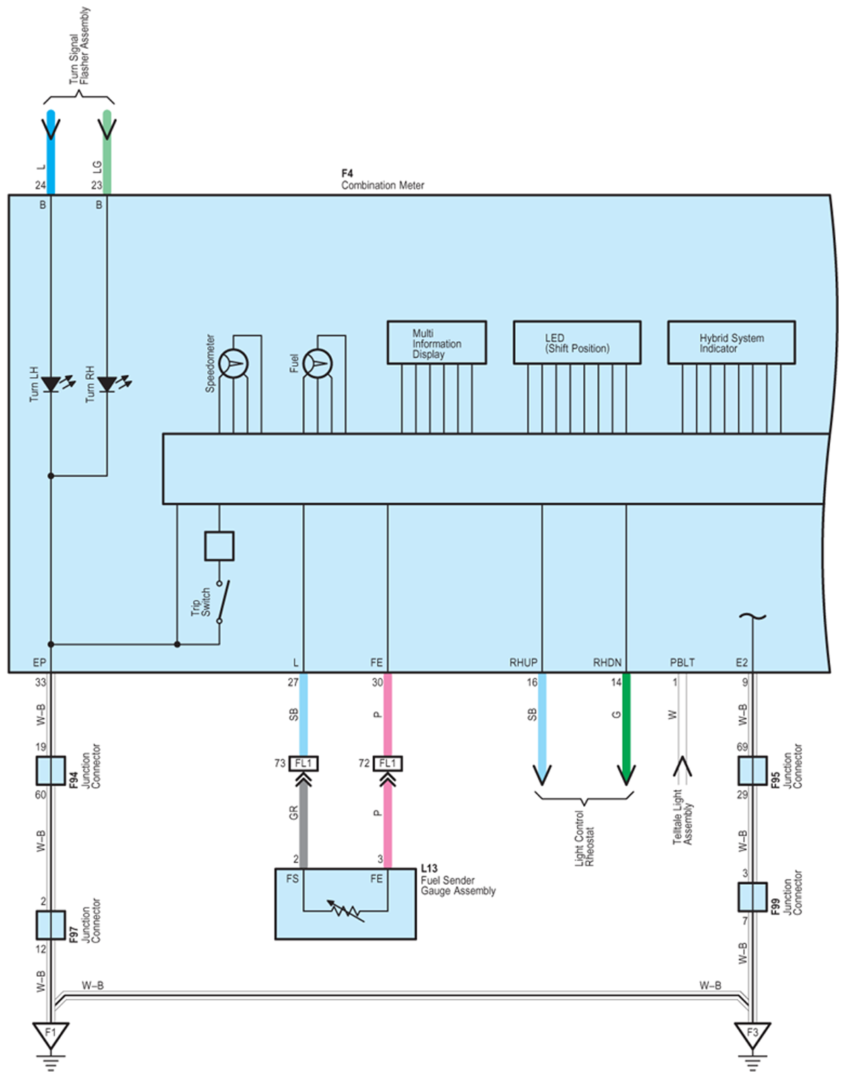
Fig 2: Combination Meter And Headup Display - Circuit Diagram (2 Of 12)
G07578486Courtesy of © TOYOTA, LICENSE AGREEMENT TMS1002
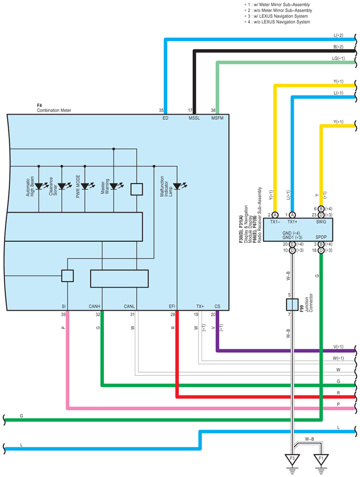
Fig 3: Combination Meter And Headup Display - Circuit Diagram (3 Of 12)
G07578487Courtesy of © TOYOTA, LICENSE AGREEMENT TMS1002
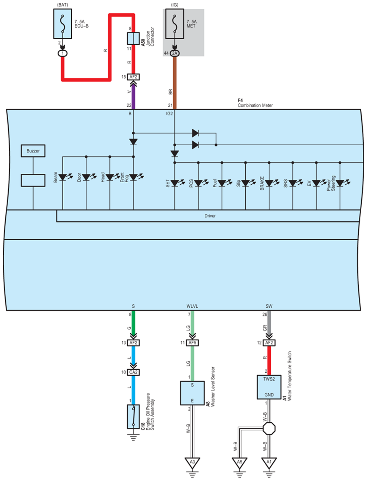
Fig 4: Combination Meter And Headup Display - Circuit Diagram (4 Of 12)
G07578488Courtesy of © TOYOTA, LICENSE AGREEMENT TMS1002
Fig 5: Combination Meter And Headup Display - Circuit Diagram (5 Of 12)
G07578489Courtesy of © TOYOTA, LICENSE AGREEMENT TMS1002
Fig 6: Combination Meter And Headup Display - Circuit Diagram (6 Of 12)
G07578490Courtesy of © TOYOTA, LICENSE AGREEMENT TMS1002
Fig 7: Combination Meter And Headup Display - Circuit Diagram (7 Of 12)
G07578491Courtesy of © TOYOTA, LICENSE AGREEMENT TMS1002
Fig 8: Combination Meter And Headup Display - Circuit Diagram (8 Of 12)
G07578492Courtesy of © TOYOTA, LICENSE AGREEMENT TMS1002
Fig 9: Combination Meter And Headup Display - Circuit Diagram (9 Of 12)
G07578493Courtesy of © TOYOTA, LICENSE AGREEMENT TMS1002
Fig 10: Combination Meter And Headup Display - Circuit Diagram (10 Of 12)
G07578494Courtesy of © TOYOTA, LICENSE AGREEMENT TMS1002
Fig 11: Combination Meter And Headup Display - Circuit Diagram (11 Of 12)
G07578495Courtesy of © TOYOTA, LICENSE AGREEMENT TMS1002
Fig 12: Combination Meter And Headup Display - Circuit Diagram (12 Of 12)
G07578496Courtesy of © TOYOTA, LICENSE AGREEMENT TMS1002