lemon-mirror:
Home >> Lexus >> 2011 >> HS 250h >> Repair and Diagnosis >> Electrical >> Body Electrical >> OEM System Circuits >> Headlight >> Notes

OEM System Circuits: Headlight: Notes

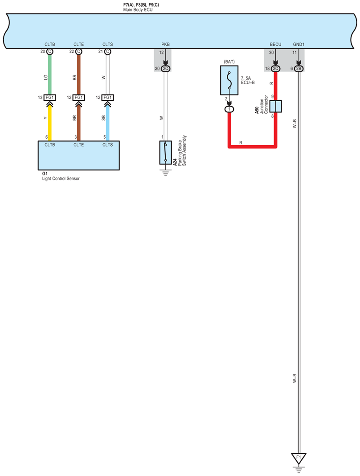
Fig 1: Headlight - Circuit Diagram (1 Of 7)
G07578261Courtesy of © TOYOTA, LICENSE AGREEMENT TMS1002
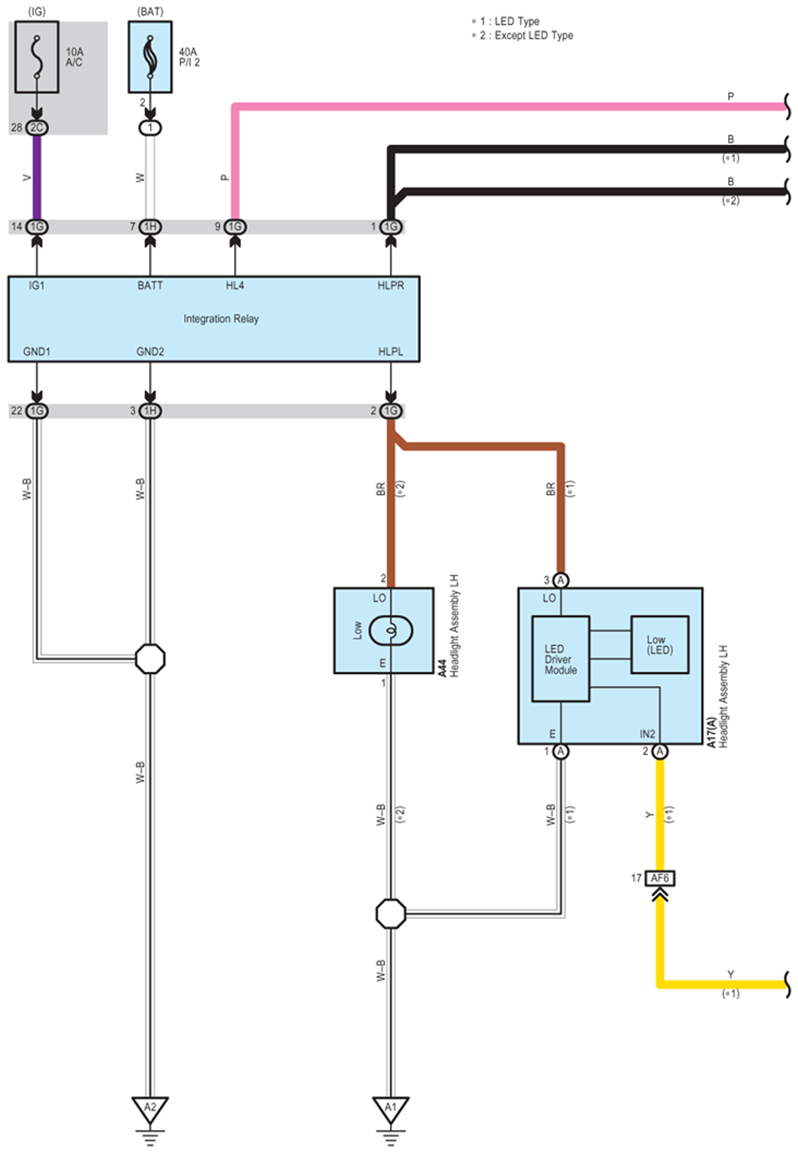
Fig 2: Headlight - Circuit Diagram (2 Of 7)
G07578262Courtesy of © TOYOTA, LICENSE AGREEMENT TMS1002
Fig 3: Headlight - Circuit Diagram (3 Of 7)
G07578263Courtesy of © TOYOTA, LICENSE AGREEMENT TMS1002
Fig 4: Headlight - Circuit Diagram (4 Of 7)
G07578264Courtesy of © TOYOTA, LICENSE AGREEMENT TMS1002
Fig 5: Headlight - Circuit Diagram (5 Of 7)
G07578265Courtesy of © TOYOTA, LICENSE AGREEMENT TMS1002
Fig 6: Headlight - Circuit Diagram (6 Of 7)
G07578266Courtesy of © TOYOTA, LICENSE AGREEMENT TMS1002
Fig 7: Headlight - Circuit Diagram (7 Of 7)
G07578267Courtesy of © TOYOTA, LICENSE AGREEMENT TMS1002