lemon-mirror:
Home >> Lexus >> 2011 >> IS 250 Base, RWD, Standard >> Repair and Diagnosis >> Engine Performance >> Engine Control Systems >> Engine Control System (Service Information) >> Fuel Pump Relay >> On-Vehicle Inspection >> On-Vehicle Inspection

On-Vehicle Inspection

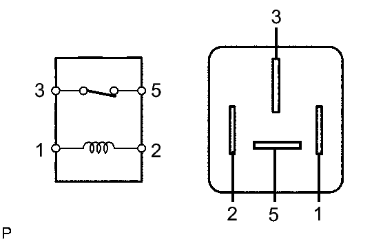
  1. INSPECT FUEL PUMP RELAY (Marking: F/PMP) 
    Fig 1: Measuring Fuel Pump Relay Resistance
    GTY121518Courtesy of © TOYOTA, LICENSE AGREEMENT TMS1002
    1. Remove the No. 2 relay block cover.
    2. Remove the fuel pump from the engine room No. 2 junction block.
    3. Measure the fuel pump relay resistance.

      Standard resistance

      Tester Condition Specified Condition
      1 - 2 63 to 91 Ω
      3 - 5 Below 1 Ω
      3 - 5 10 kΩ or higher
      (when battery voltage is applied to terminals 1 and 2)
    4. Reinstall the fuel pump relay to the engine room No. 2 relay block.
    5. Reinstall the No. 2 junction block cover.