lemon-mirror:
Home >> Lexus >> 2011 >> IS 350 Base, AWD >> Repair and Diagnosis >> Electrical >> Body Electrical >> OEM System Circuits >> Front Window Deicer >> Notes

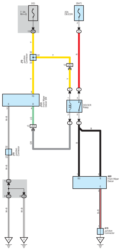
Front Window Deicer: Notes

Fig 1: Front Window Deicer - Circuit Diagram
G07581425Courtesy of © TOYOTA, LICENSE AGREEMENT TMS1002